В основном вставка пропущенных запятых и удаление лишнего пробела из союза "а также", но были и другие ошибки и опечатки.
82 KiB
Лабораторная работа 12 "Периферийные устройства"
На прошлой лабораторной работе вы реализовали свой собственный RISC-V процессор. Однако пока что он находится "в вакууме" и никак не связан с внешним миром. Для исправления этого недостатка вами будет реализована системная шина, через которую к процессору смогут подключаться различные периферийные устройства.
Цель
Интегрировать периферийные устройства в процессорную систему.
Допуск к лабораторной работе
Для успешного выполнения лабораторной работы, вам необходимо:
- ознакомиться с примером описания модуля-контроллера;
- ознакомиться с описанием контроллеров периферийных устройств.
Ход работы
- Изучить теорию об адресном пространстве
- Получить индивидуальный вариант со своим набором периферийных устройств
- Интегрировать контроллеры периферийных устройств в адресное пространство вашей системы
- Собрать финальную схему вашей системы
- Проверить работу системы в ПЛИС с помощью демонстрационного ПО, загружаемого в память инструкций
Теория
Помимо процессора и памяти, третьим ключевым элементом вычислительной системы является система ввода/вывода, обеспечивающая обмен информации между ядром вычислительной машины и периферийными устройствами.
Любое периферийное устройство со стороны вычислительной машины видится как набор ячеек памяти (регистров). С помощью чтения и записи этих регистров происходит обмен информации с периферийным устройством, и управление им. Например, датчик температуры может быть реализован самыми разными способами, но для процессора он в любом случае ячейка памяти, из которой он считывает число – температуру.
Система ввода/вывода может быть организована одним из двух способов: с выделенным адресным пространством устройств ввода/вывода, или с совместным адресным пространством. В первом случае система ввода/вывода имеет отдельную шину для подключения к процессору (и отдельные инструкции для обращения к периферии), во втором – шина для памяти и системы ввода/вывода общая (а обращение к периферии осуществляется теми же инструкциями, что и обращение к памяти).
Адресное пространство
Архитектура RISC-V подразумевает использование совместного адресного пространства — это значит, что в лабораторной работе будет использована единая шина для подключения памяти и регистров управления периферийными устройствами. При обращении по одному диапазону адресов процессор будет попадать в память, при обращении по другим – взаимодействовать с регистрами управления/статуса периферийного устройства. Например, можно разделить 32-битное адресное пространство на 256 частей, отдав старшие 8 бит адреса под указание конкретного периферийного устройства. Тогда каждое из периферийных устройств получит 24-битное адресное пространство (16 MiB). Допустим, мы распределили эти части адресного пространства в следующем порядке (от младшего диапазона адресов к старшему):
- Память данных
- Переключатели
- Светодиоды
- Клавиатура PS/2
- Семисегментные индикаторы
- UART-приемник
- UART-передатчик
- Видеоадаптер
В таком случае, если мы захотим обратиться к первому (счет идет с нуля) байту семисегментных индикаторов, мы должны будем использовать адрес 0x04000001. Старшие 8 бит (0x04) определяют выбранное периферийное устройство, оставшиеся 24 бита определяют конкретный адрес в адресном пространстве этого устройства.
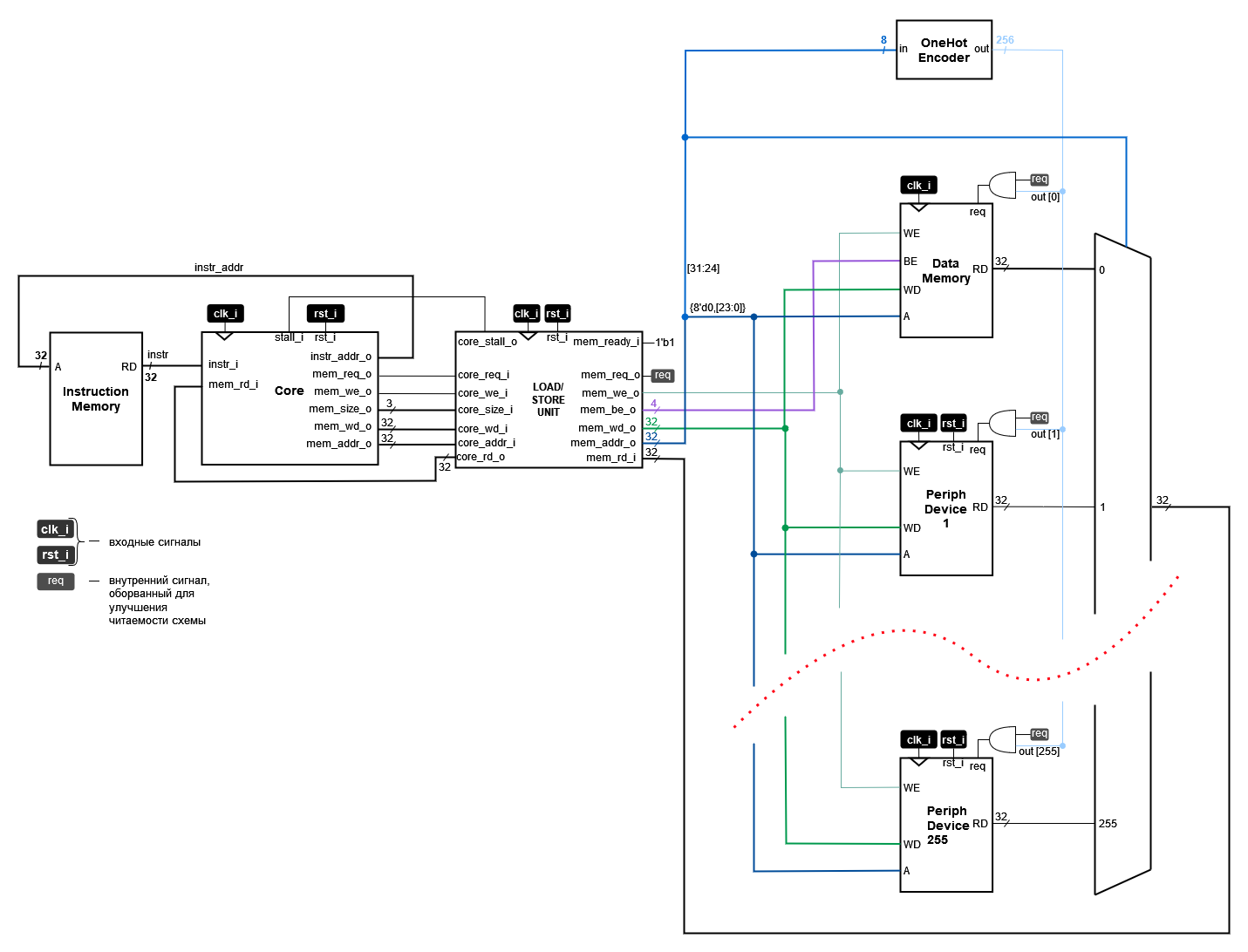
На рисунке ниже представлен способ подключения процессора к памяти инструкций и данных, а также 255 периферийным устройствам.
Рисунок 1. Итоговая структура процессорной системы.
Активация выбранного устройства
В зависимости от интерфейса используемой шины, периферийные устройства либо знают какой диапазон адресов им выделен (например, в интерфейсе I²C), либо нет (интерфейс APB). В первом случае, устройство понимает что к нему обратились непосредственно по адресу в данном обращении, во втором случае — по специальному сигналу.
На рис. 1 используется второй вариант — устройство понимает, что к нему обратились по специальному сигналу req_i. Данный сигнал формируется из двух частей: сигнала req исходящего из процессорного ядра (сигнал о том, обращение в память вообще происходит) и специального сигнала-селектора исходящего из 256-разрядной шины. Формирование значения на этой шине происходит с помощью унитарного (one-hot) кодирования. Процесс кодирования достаточно прост. В любой момент времени на выходной шине должен быть ровно один бит, равный единице. Индекс этого бита совпадает со значением старших восьми бит адреса. Поскольку для восьмибитного значения существует 256 комбинаций значений, именно такая разрядность будет на выходе кодировщика. Это означает, что в данной системе можно связать процессор с 256 устройствами (одним из которых будет память данных).
Реализация такого кодирования предельно проста:
- Нулевой сигнал этой шины будет равен единице только если
data_addr_o[31:24] = 8'd0. - Первый бит этой шины будет равен единице только если
data_addr_o[31:24] = 8'd1. - ...
- Двести пятьдесят пятый бит шины будет равен единице только если
data_addr_o[31:24] = 8'd255.
Для реализации такого кодирования достаточно выполнить сдвиг влево константы 255'd1 на значение data_addr_o[31:24].
Дополнительные правки модуля riscv_unit
Ранее, для того чтобы ваши модули могли работать в ПЛИС, вам предоставлялся специальный модуль верхнего уровня, который выполнял всю работу по связи с периферией через входы и выходы ПЛИС. Поскольку в текущей лабораторной вы завершаете свою процессорную систему, она сама должна оказаться модулем верхнего уровня, а значит здесь вы должны и выполнить всё подключение к периферии.
Для этого необходимо добавить в модуль riscv_unit дополнительные входы и выходы, которые подключены посредством файла ограничений (nexys_a7_100t.xdc) к входам и выходам ПЛИС.
module riscv_unit(
input logic clk_i,
input logic resetn_i,
// Входы и выходы периферии
input logic [15:0] sw_i, // Переключатели
output logic [15:0] led_o, // Светодиоды
input logic kclk_i, // Тактирующий сигнал клавиатуры
input logic kdata_i, // Сигнал данных клавиатуры
output logic [ 6:0] hex_led_o, // Вывод семисегментных индикаторов
output logic [ 7:0] hex_sel_o, // Селектор семисегментных индикаторов
input logic rx_i, // Линия приема по UART
output logic tx_o, // Линия передачи по UART
output logic [3:0] vga_r_o, // красный канал vga
output logic [3:0] vga_g_o, // зеленый канал vga
output logic [3:0] vga_b_o, // синий канал vga
output logic vga_hs_o, // линия горизонтальной синхронизации vga
output logic vga_vs_o // линия вертикальной синхронизации vga
);
//...
endmodule
Эти порты нужно подключить к одноименным портам ваших контроллеров периферии (речь идет только о реализуемых вами контроллерах, остальные порты должны остаться неподключенными). Иными словами, в описании модуля должны быть все указанные входы и выходы. Но использовать вам нужно только порты, связанные с теми периферийными устройствами, реализацию которых вам необходимо подключить к процессорной системе в рамках индивидуального задания.
Обратите внимание на то, что изменился сигнал сброса (resetn_i). Буква n на конце означает, что сброс работает по уровню 0 (когда сигнал равен нулю — это сброс, когда единице — не сброс).
Помимо прочего, необходимо подключить к вашему модулю блок делителя частоты. Поскольку в данном курсе лабораторных работ вы выполняли реализацию однотактного процессора, инструкция должна пройти через все ваши блоки за один такт. Из-за этого критический путь вашей схемы не позволит использовать тактовый сигнал частотой в 100 МГц, от которого работает отладочный стенд. Поэтому, необходимо создать отдельный сигнал с пониженной тактовой частотой, от которого будет работать ваша схема.
Для этого необходимо:
- Подключить файл
sys_clk_rst_gen.svв ваш проект. - Подключить этот модуль в начале описания модуля
riscv_unitследующим образом:
logic sysclk, rst;
sys_clk_rst_gen divider(.ex_clk_i(clk_i),.ex_areset_n_i(resetn_i),.div_i(5),.sys_clk_o(sysclk), .sys_reset_o(rst));
- После вставки данных строк в начало описания модуля
riscv_unitвы получите тактовый сигналsysclkс частотой в 10 МГц и сигнал сбросаrstс активным уровнем1(как и в предыдущих лабораторных). Все ваши внутренние модули (riscv_core,data_memиконтроллеры периферии) должны работать от тактового сигналаsysclk. На модули, имеющие входной сигнал сброса (rst_i) необходимо подать ваш сигналrst.
Задание
В рамках данной лабораторной работы необходимо реализовать модули-контроллеры двух периферийных устройств, реализующих управление в соответствии с приведенной ниже картой памяти и встроить их в процессорную систему, используя рис. 1. На карте приведено шесть периферийных устройств, вам необходимо взять только два из них. Какие именно — сообщит преподаватель.
Рисунок 2. Карта памяти периферийных устройств.
Работа с картой осуществляется следующим образом. Под названием каждого периферийного устройства указана старшая часть адреса (чему должны быть равны старшие 8 бит адреса, чтобы было сформировано обращение к данному периферийному устройству). Например, для переключателей это значение равно 0x01, для светодиодов 0x02 и т.п.
В самом левом столбце указаны используемые/неиспользуемые адреса в адресном пространстве данного периферийного устройства. Например для переключателей есть только один используемый адрес: 0x000000. Его функциональное назначение и разрешения на доступ указаны в столбце соответствующего периферийного устройства. Возвращаясь к адресу 0x000000, для переключателей мы видим следующее:
- (R) означает что разрешен доступ только на чтение (операция записи по этому адресу должна игнорироваться вашим контроллером).
- "Выставленное на переключателях значение" означает ровно то, что и означает. Если процессор выполняет операцию чтения по адресу
0x01000000(0x01[старшая часть адреса переключателей] +0x000000[младшая часть адреса для получения выставленного на переключателях значения]), то контроллер должен выставить на выходной сигналRDзначение на переключателях (о том как получить это значение будет рассказано чуть позже).
Рассмотрим еще один пример. При обращении по адресу 0x02000024 (0x02 (старшая часть адреса контроллера светодиодов) + 0x000024 (младшая часть адреса для доступа на запись к регистру сброса) ) должна произойти запись в регистр сброса, который должен сбросить значения в регистре управления зажигаемых светодиодов и регистре управления режимом "моргания" светодиодов (подробнее о том как должны работать эти регистры будет ниже).
Таким образом, каждый контроллер периферийного устройства должен выполнять две вещи:
- При получении сигнала
req_i, записать в регистр или вернуть значение из регистра, ассоциированного с переданным адресом (адрес передается с обнуленной старшей частью). Если регистра, ассоциированного с таким адресом нет (например, для переключателей не ассоциировано ни одного адреса кроме0x000000), игнорировать эту операцию. - Выполнять управление периферийным устройством с помощью управляющих регистров.
Подробное описание периферийных устройств их управления и назначение управляющих регистров будет дано после порядка выполнения задания.
Порядок выполнения задания
- Внимательно ознакомьтесь с примером описания модуля контроллера.
- Внимательно ознакомьтесь со спецификацией контроллеров периферии своего варианта. В случае возникновения вопросов, проконсультируйтесь с преподавателем.
- Реализуйте модули контроллеров периферии. Имена модулей и их порты будут указаны в описании контроллеров. Пример разработки контроллера приведен здесь.
- Готовые модули периферии, управление которыми должны осуществлять модули-контроллеры хранятся в папке
peripheral modules.
- Готовые модули периферии, управление которыми должны осуществлять модули-контроллеры хранятся в папке
- Обновите модуль
riscv_unitв соответствии с разделом "Дополнительные правки модуля riscv_unit".- Подключите в проект файл
sys_clk_rst_gen.sv. - Добавьте в модуль
riscv_unitвходы и выходы периферии. Необходимо добавить порты даже тех периферийных устройств, которые вы не будете реализовывать. - Создайте в начале описания модуля
riscv_unitэкземпляр модуляsys_clk_rst_gen, скопировав приведенный фрагмент кода. - Замените подключение тактового сигнала исходных подмодулей
riscv_unitна появившийся сигналsysclk. Убедитесь, что на модули, имеющие сигнал сброса, приходит сигналrst.
- Подключите в проект файл
- Интегрируйте модули контроллеров периферии в процессорную систему по приведенной схеме руководствуясь старшими адресами контроллеров, представленными на карте памяти (рис. 2). Это означает, что если вы реализуете контроллер светодиодов, на его вход
req_iдолжна подаваться единица в случае, еслиmem_req_o == 1и старшие 8 бит адреса равны0x02.- При интеграции вы должны подключить только модули-контроллеры вашего варианта. Контроллеры периферии других вариантов подключать не надо.
- При этом во время интеграции, вы должны использовать старшую часть адреса, представленную в карте памяти для формирования сигнала
req_iдля ваших модулей-контроллеров.
- Проверьте работу процессорной системы с помощью моделирования.
- Для каждой пары контроллеров в папке
firmware/mem_filesпредставлены файлы, инициализирующие память инструкций. Обратите внимание, что для пары "PS2-VGA" также необходим файл, инициализирующий память данных (в модулеext_memнеобходимо прописать блок$readmemh). - Исходный код программ с адресами и результирующими инструкциями находится в папке
firmware/software. - При моделировании светодиодов лучше уменьшить значение, до которого считает счетчик в режиме "моргания" в 10 раз, чтобы уменьшить время моделирования. Перед генерацией битстрима это значение будет необходимо восстановить.
- Для проверки тестбенч имитирует генерацию данных периферийных устройств ввода. При реализации контроллера клавиатуры или uart_rx рекомендуется ознакомиться с тем, какие именно данные тестбенч подает на вход.
- Для того, чтобы понять, что устройство работает должным образом, в первую очередь необходимо убедиться, что контроллер устройства ввода успешно осуществил прием данных (сгенерированные тестбенчем данные оказались в соответствующем регистре контроллера периферийного устройства) и сгенерировал запрос на прерывание.
- После чего, необходимо убедиться, что процессор среагировал на данное прерывание, и в процессе его обработки в контроллер устройства вывода были поданы выходные данные.
- Для того, чтобы лучше понимать как именно процессор будет обрабатывать прерывание, рекомендуется ознакомиться с исходным кодом исполняемой программы, расположенным в папке
firmware/software.
- Для каждой пары контроллеров в папке
- Переходить к следующему пункту можно только после того, как вы полностью убедились в работоспособности модуля на этапе моделирования (увидели корректные значения на выходных сигналах периферии, либо (если по сигналам периферии сложно судить о работоспособности), значениям в контрольных/статусных регистрах модуля-контроллера этой периферии). Генерация битстрима будет занимать у вас долгое время, а итогом вы получите результат: заработало / не заработало, без какой-либо дополнительной информации, поэтому без прочного фундамента на моделировании далеко уехать у вас не выйдет.
- Подключите к проекту файл ограничений (nexys_a7_100t.xdc), если тот еще не был подключен, либо замените его содержимое данными из файла к этой лабораторной работе.
- Проверьте работу вашей процессорной системы на отладочном стенде с ПЛИС.
- Обратите внимание, что в данной лабораторной уже не будет модуля верхнего уровня
nexys_..., так как ваш модуль процессорной системы уже полностью самостоятелен и взаимодействует непосредственно с ножками ПЛИС через модули, управляемые контроллерами периферии.
- Обратите внимание, что в данной лабораторной уже не будет модуля верхнего уровня
Описание контроллеров периферийных устройств
Для того, чтобы избежать избыточности в контексте описания контроллеров периферийных устройств будет использоваться два термина:
- Под "запросом на запись по адресу
0xАДРЕС" будет пониматься совокупность следующих условий:- Происходит восходящий фронт
clk_i. - На входе
req_iвыставлено значение1. - На входе
write_enable_iвыставлено значение1. - На входе
addr_iвыставлено значение0xАДРЕС
- Происходит восходящий фронт
- Под "запросом на чтение по адресу
0xАДРЕС" будет пониматься совокупность следующих условий:- На входе
req_iвыставлено значение1. - На входе
write_enable_iвыставлено значение0. - На входе
addr_iвыставлено значение0xАДРЕС
- На входе
Обратите внимание на то, что запрос на чтение должен обрабатываться синхронно (выходные данные должны выдаваться по положительному фронту clk_i).
При описании поддерживаемых режимов доступа по данному адресу используется следующее обозначение:
- R — доступ только на чтение;
- W — доступ только на запись;
- RW — доступ на чтение и запись.
В случае отсутствия запроса на чтение, на выходе read_data_o не должно меняться значение (тоже самое было сделано в процессе разработки памяти данных).
Если пришел запрос на запись или чтение, это еще не значит, что контроллер должен его выполнить. В случае, если запрос происходит по адресу, не поддерживающему этот запрос (например запрос на запись по адресу, поддерживающему только чтение), данный запрос должен игнорироваться. В случае запроса на чтение по недоступному адресу, на выходе read_data_o должно остаться прежнее значение.
В случае осуществления записи по принятому запросу, необходимо записать данные с сигнала write_data_i в регистр, ассоциированный с адресом addr_i (если разрядность регистра меньше разрядности сигнала write_data_i, старшие биты записываемых данных отбрасываются).
В случае осуществления чтения по принятому запросу, необходимо по положительному фронту clk_i выставить данные с сигнала, ассоциированного с адресом addr_i на выходной сигнал read_data_o (если разрядность сигнала меньше разрядности выходного сигнала read_data_o, возвращаемые данные должны дополниться нулями в старших битах).
Переключатели
Переключатели являются простейшим устройством ввода на отладочном стенде Nexys A7. Соответственно и контроллер, осуществляющий доступ процессора к ним так же будет очень простым. Рассмотрим прототип модуля, который вам необходимо реализовать:
module sw_sb_ctrl(
/*
Часть интерфейса модуля, отвечающая за подключение к системной шине
*/
input logic clk_i,
input logic rst_i,
input logic req_i,
input logic write_enable_i,
input logic [31:0] addr_i,
input logic [31:0] write_data_i, // не используется, добавлен для
// совместимости с системной шиной
output logic [31:0] read_data_o,
/*
Часть интерфейса модуля, отвечающая за отправку запросов на прерывание
процессорного ядра
*/
output logic interrupt_request_o,
input logic interrupt_return_i,
/*
Часть интерфейса модуля, отвечающая за подключение к периферии
*/
input logic [15:0] sw_i
);
endmodule
По сути, логика работы контроллера сводится к тому, выдавать на шину read_data_o данные со входа sw_i каждый раз, когда приходит запрос на чтение по нулевому адресу. Поскольку разрядность sw_i в два раза меньше разрядности выхода read_data_o его старшие биты необходимо дополнить нулями.
Адресное пространство контроллера:
| Адрес | Режим доступа | Функциональное назначение |
|---|---|---|
| 0x00 | R | Чтение значения, выставленного на переключателях |
При этом, будучи устройством ввода, данный модуль может генерировать прерывание, чтобы сообщить процессору о том, что данные на переключателях были изменены. Если на очередном такте clk_i данные на входе sw_i изменились (т.е. отличаются от тех, что были на предыдущем такте), модуль должен выставить значение 1 на выходе interrupt_request_o и удерживать его до получения сигнала о завершении обработки прерывания interrupt_return_i.
Для отслеживания изменений на входе sw_i между тактами синхроимпульса вам потребуется вспомогательный регистр, каждый такт сохраняющий значение sw_i. При реализации данного регистра, не забывайте о том, что его необходимо сбрасывать посредством сигнала rst_i.
Светодиоды
Как и переключатели, светодиоды являются простейшим устройством вывода. Поэтому, чтобы задание было интересней, для их управления был добавлен регистр, управляющий режимом вывода данных на светодиоды. Рассмотрим прототип модуля, который вам необходимо реализовать:
module led_sb_ctrl(
/*
Часть интерфейса модуля, отвечающая за подключение к системной шине
*/
input logic clk_i,
input logic rst_i,
input logic req_i,
input logic write_enable_i,
input logic [31:0] addr_i,
input logic [31:0] write_data_i,
output logic [31:0] read_data_o,
/*
Часть интерфейса модуля, отвечающая за подключение к периферии
*/
output logic [15:0] led_o
);
logic [15:0] led_val;
logic led_mode;
endmodule
Данный модуль должен выводить на выходной сигнал led_o данные с регистра led_val. Запись и чтение регистра led_val осуществляется по адресу 0x00. Запись любого значения, превышающего 2¹⁶-1 должна игнорироваться.
Регистр led_mode отвечает за режим вывода данных на светодиоды. Когда этот регистр равен единице, светодиоды должны "моргать" выводимым значением. Под морганием подразумевается вывод значения из регистра led_val на выход led_o на одну секунду (загорится часть светодиодов, соответствующие которым биты шины led_o равны единице), после чего на одну секунду выход led_o необходимо подать нули. Запись и чтение регистра led_mode осуществляется по адресу 0x04. Запись любого значения, отличного от 0 и 1 в регистр led_mode должна игнорироваться.
Отсчет времени можно реализовать простейшим счетчиком, каждый такт увеличивающимся на 1 и сбрасывающимся по достижении определенного значения, чтобы продолжить считать с нуля. Зная тактовую частоту, нетрудно определить до скольки должен считать счетчик. При тактовой частоте в 10 МГц происходит 10 миллионов тактов в секунду. Это означает, что при такой тактовой частоте через секунду счетчик будет равен 10⁷-1 (счет идет с нуля). Тем не менее удобней будет считать не до 10⁷-1 (что было бы достаточно очевидным и тоже правильным решением), а до 2*10⁷-1. В этом случае старший бит счетчика каждую секунду будет инвертировать свое значение, что может быть использовано при реализации логики "моргания".
Важно отметить, что счетчик должен работать только при led_mode == 1, в противном случае счетчик должен быть равен нулю.
Обратите внимание на то, что адрес 0x24 является адресом сброса. В случае запроса на запись по этому адресу значения 1. вы должны сбросить регистры led_val, led_mode и все вспомогательные регистры, которые вы создали. Для реализации сброса вы можете как создать отдельный регистр led_rst, в который будет происходить запись, а сам сброс будет происходить по появлению единицы в этом регистре (в этом случае необходимо не забыть сбрасывать и этот регистр), так и создать обычный провод, формирующий единицу в случае выполнения всех указанных условий (условий запроса на запись, адреса сброса и значения записываемых данных равному единице).
Адресное пространство контроллера:
| Адрес | Режим доступа | Допустимые значения | Функциональное назначение |
|---|---|---|---|
| 0x00 | RW | [0:65535] | Чтение и запись в регистр led_val отвечающий за вывод данных на светодиоды |
| 0x04 | RW | [0:1] | Чтение и запись в регистр led_mode, отвечающий за режим "моргания" светодиодами |
| 0x24 | W | 1 | Запись сигнала сброса |
Клавиатура PS/2
Клавиатура PS/2 осуществляет передачу скан-кодов, нажатых на этой клавиатуре клавиш.
В рамках данной лабораторной работы вам будет дан готовый модуль, осуществляющий прием данных с клавиатуры. От вас требуется написать лишь модуль, осуществляющий контроль предоставленным модулем. У готового модуля будет следующий прототип:
module PS2Receiver(
input clk_i, // Сигнал тактирования процессора и вашего модуля-контроллера
input kclk_i, // Тактовый сигнал, приходящий с клавиатуры
input kdata_i, // Сигнал данных, приходящий с клавиатуры
output [7:0] keycode_o, // Сигнал полученного с клавиатуры скан-кода клавиши
output keycode_valid_o // Сигнал готовности данных на выходе keycodeout
);
endmodule
Вам необходимо реализовать модуль-контроллер со следующим прототипом:
module ps2_sb_ctrl(
/*
Часть интерфейса модуля, отвечающая за подключение к системной шине
*/
input logic clk_i,
input logic rst_i,
input logic [31:0] addr_i,
input logic req_i,
input logic [31:0] write_data_i,
input logic write_enable_i,
output logic [31:0] read_data_o,
/*
Часть интерфейса модуля, отвечающая за отправку запросов на прерывание
процессорного ядра
*/
output logic interrupt_request_o,
input logic interrupt_return_i,
/*
Часть интерфейса модуля, отвечающая за подключение к модулю,
осуществляющему прием данных с клавиатуры
*/
input logic kclk_i,
input logic kdata_i
);
logic [7:0] scan_code;
logic scan_code_is_unread;
endmodule
В первую очередь, вы должны создать экземпляр модуля PS2Receiver внутри вашего модуля-контроллера, соединив соответствующие входы. Для подключения к выходам необходимо создать дополнительные провода.
По каждому восходящему фронту сигнала clk_i вы должны проверять выход keycode_valid_o и, если тот равен единице, записать значение с выхода keycode_o в регистр scan_code. При этом значение регистра scan_code_is_unread необходимо выставить в единицу.
В случае, если произошел запрос на чтение по адресу 0x00, необходимо выставить на выход read_data_o значение регистра scan_code (дополнив старшие биты нулями), при этом значение регистра scan_code_is_unread необходимо обнулить. В случае, если одновременно с запросом на чтение пришел сигнал keycode_valid_o, регистр scan_code_is_unread обнулять не нужно (в этот момент в регистр scan_code уже записывается новое, еще непрочитанное значение).
Обнуление регистра scan_code_is_unread должно происходить и в случае получения сигнала interrupt_return_i (однако опять же, если в этот момент приходит сигнал keycode_valid_o, обнулять регистр не нужно).
В случае запроса на чтение по адресу 0x04 необходимо вернуть значение регистра scan_code_is_unread.
В случае запроса на запись значения 1 по адресу 0x24, необходимо осуществить сброс регистров scan_code и scan_code_is_unread в 0.
Регистр scan_code_is_unread необходимо подключить к выходу interrupt_request_o. Таким образом процессор может узнавать о нажатых клавишах как посредством программного опроса путем чтения значения регистраscan_code_is_unread, так и посредством прерываний через сигналinterrupt_request_o.
Адресное пространство контроллера:
| Адрес | Режим доступа | Допустимые значения | Функциональное назначение |
|---|---|---|---|
| 0x00 | R | [0:255] | Чтение из регистра scan_code, хранящего скан-код нажатой клавиши |
| 0x04 | R | [0:1] | Чтение из регистра scan_code_is_unread, сообщающего о том, что есть непрочитанные данные в регистре scan_code |
| 0x24 | W | 1 | Запись сигнала сброса |
Семисегментные индикаторы
Семисегментные индикаторы позволяют выводить арабские цифры и первые шесть букв латинского алфавита, тем самым позволяя отображать шестнадцатиричные цифры. На отладочном стенде Nexys A7 размещено восемь семисегментных индикаторов. Для вывода цифр на эти индикаторы, вам будет предоставлен модуль hex_digits, вам нужно лишь написать модуль, осуществляющий контроль над ним. Прототип модуля hex_digits следующий:
module hex_digits(
input logic clk_i,
input logic rst_i,
input logic [3:0] hex0_i, // Цифра, выводимой на нулевой (самый правый) индикатор
input logic [3:0] hex1_i, // Цифра, выводимая на первый индикатор
input logic [3:0] hex2_i, // Цифра, выводимая на второй индикатор
input logic [3:0] hex3_i, // Цифра, выводимая на третий индикатор
input logic [3:0] hex4_i, // Цифра, выводимая на четвертый индикатор
input logic [3:0] hex5_i, // Цифра, выводимая на пятый индикатор
input logic [3:0] hex6_i, // Цифра, выводимая на шестой индикатор
input logic [3:0] hex7_i, // Цифра, выводимая на седьмой индикатор
input logic [7:0] bitmask_i, // Битовая маска для включения/отключения
// отдельных индикаторов
output logic [6:0] hex_led_o, // Сигнал, контролирующий каждый отдельный
// светодиод индикатора
output logic [7:0] hex_sel_o // Сигнал, указывающий на какой индикатор
// выставляется hex_led
);
endmodule
Для того, чтобы вывести шестнадцатеричную цифру на любой из индикаторов, необходимо выставить двоичное представление этой цифры на соответствующий вход hex0-hex7.
За включение/отключение индикаторов отвечает входной сигнал bitmask_i, состоящий из 8 бит, каждый из которых включает/отключает соответствующий индикатор. Например, при bitmask_i == 8'b0000_0101, включены будут нулевой и второй индикаторы, остальные будут погашены.
Выходные сигналы hex_led и hex_sel необходимо просто подключить к соответствующим выходным сигналам модуля-контроллера. Они пойдут на выходы ПЛИС, соединенные с семисегментными индикаторами.
Для управления данным модулем, необходимо написать модуль-контроллер со следующим прототипом:
module hex_sb_ctrl(
/*
Часть интерфейса модуля, отвечающая за подключение к системной шине
*/
input logic clk_i,
input logic [31:0] addr_i,
input logic req_i,
input logic [31:0] write_data_i,
input logic write_enable_i,
output logic [31:0] read_data_o,
/*
Часть интерфейса модуля, отвечающая за подключение к модулю,
осуществляющему вывод цифр на семисегментные индикаторы
*/
output logic [6:0] hex_led,
output logic [7:0] hex_sel
);
logic [3:0] hex0, hex1, hex2, hex3, hex4, hex5, hex6, hex7;
logic [7:0] bitmask;
endmodule
Регистры hex0-hex7 отвечают за вывод цифры на соответствующий семисегментный индикатор. Регистр bitmask отвечает за включение/отключение семисегментных индикаторов. Когда в регистре bitmask бит, индекс которого совпадает с номером индикатора равен единице — тот включен и выводит число, совпадающее со значением в соответствующем регистре hex0-hex7. Когда бит равен нулю — этот индикатор гаснет.
Доступ на чтение/запись регистров hex0-hex7 осуществляется по адресам 0x00-0x1c (см. таблицу адресного пространства).
Доступ на чтение/запись регистра bitmask осуществляется по адресу 0x20.
При запросе на запись единицы по адресу 0x24 необходимо выполнить сброс всех регистров. При этом регистр bitmask должен сброситься в значение 0xFF.
Адресное пространство контроллера:
| Адрес | Режим доступа | Допустимые значения | Функциональное назначение |
|---|---|---|---|
| 0x00 | RW | [0:15] | Регистр, хранящий значение, выводимое на hex0 |
| 0x04 | RW | [0:15] | Регистр, хранящий значение, выводимое на hex1 |
| 0x08 | RW | [0:15] | Регистр, хранящий значение, выводимое на hex2 |
| 0x0C | RW | [0:15] | Регистр, хранящий значение, выводимое на hex3 |
| 0x10 | RW | [0:15] | Регистр, хранящий значение, выводимое на hex4 |
| 0x14 | RW | [0:15] | Регистр, хранящий значение, выводимое на hex5 |
| 0x18 | RW | [0:15] | Регистр, хранящий значение, выводимое на hex6 |
| 0x1C | RW | [0:15] | Регистр, хранящий значение, выводимое на hex7 |
| 0x20 | RW | [0:255] | Регистр, управляющий включением/отключением индикаторов |
| 0x24 | W | 1 | Запись сигнала сброса |
UART
UART — это последовательный интерфейс, использующий для приема и передачи данных по одной независимой линии с поддержкой контроля целостности данных.
Для того, чтобы передача данных была успешно осуществлена, приемник и передатчик на обоих концах одного провода должны договориться о параметрах передачи:
- её скорости (бодрейт);
- контроля целостности данных (использование бита четности/нечетности/отсутствие контроля);
- длины стопового бита.
Вам будут предоставлены модули, осуществляющие прием и передачу данных по этому интерфейсу, от вас лишь требуется написать модули, осуществляющие управление предоставленными модулями.
module uart_rx (
input logic clk_i, // Тактирующий сигнал
input logic rst_i, // Сигнал сброса
input logic rx_i, // Сигнал линии, подключенной к выводу ПЛИС,
// по которой будут приниматься данные
output logic busy_o, // Сигнал о том, что модуль занят приемом данных
input logic [16:0] baudrate_i, // Настройка скорости передачи данных
input logic parity_en_i,// Настройка контроля целостности через бит четности
input logic stopbit_i, // Настройка длины стопового бита
output logic [7:0] rx_data_o, // Принятые данные
output logic rx_valid_o // Сигнал о том, что прием данных завершен
);
endmodule
module uart_tx (
input logic clk_i, // Тактирующий сигнал
input logic rst_i, // Сигнал сброса
output logic tx_o, // Сигнал линии, подключенной к выводу ПЛИС,
// по которой будут отправляться данные
output logic busy_o, // Сигнал о том, что модуль занят передачей данных
input logic [16:0] baudrate_i, // Настройка скорости передачи данных
input logic parity_en_i,// Настройка контроля целостности через бит четности
input logic stopbit_i, // Настройка длины стопового бита
input logic [7:0] tx_data_i, // Отправляемые данные
input logic tx_valid_i // Сигнал о старте передачи данных
);
endmodule
Для управления этими модулями вам необходимо написать два модуля-контроллера со следующими прототипами
module uart_rx_sb_ctrl(
/*
Часть интерфейса модуля, отвечающая за подключение к системной шине
*/
input logic clk_i,
input logic rst_i,
input logic [31:0] addr_i,
input logic req_i,
input logic [31:0] write_data_i,
input logic write_enable_i,
output logic [31:0] read_data_o,
/*
Часть интерфейса модуля, отвечающая за отправку запросов на прерывание
процессорного ядра
*/
output logic interrupt_request_o,
input logic interrupt_return_i,
/*
Часть интерфейса модуля, отвечающая за подключение передающему,
входные данные по UART
*/
input logic rx_i
);
logic busy;
logic [16:0] baudrate;
logic parity_en;
logic stopbit;
logic [7:0] data;
logic valid;
endmodule
module uart_tx_sb_ctrl(
/*
Часть интерфейса модуля, отвечающая за подключение к системной шине
*/
input logic clk_i,
input logic rst_i,
input logic [31:0] addr_i,
input logic req_i,
input logic [31:0] write_data_i,
input logic write_enable_i,
output logic [31:0] read_data_o,
/*
Часть интерфейса модуля, отвечающая за подключение передающему,
выходные данные по UART
*/
output logic tx_o
);
logic busy;
logic [16:0] baudrate;
logic parity_en;
logic stopbit;
logic [7:0] data;
endmodule
У обоих предоставленных модулей схожий прототип, различия заключаются лишь в направлениях сигналов data и valid.
Взаимодействие модулей uart_rx и uart_tx с соответствующими модулями-контроллерами осуществляется следующим образом.
Сигналы clk_i и rx_i/tx_o подключаются напрямую к соответствующим сигналам модулей-контроллеров.
Сигнал rst_i модулей uart_rx / uart_tx должен быть равен единице при запросе на запись единицы по адресу 0x24, а также в случае, когда сигнал rst_i модуля-контроллера равен единице.
Выходной сигнал busy_o на каждом такте clk_i должен записываться в регистр busy, доступ на чтение к которому осуществляется по адресу 0x08.
Значения входных сигналов baudrate_i, parity_en_i, stopbit_i берутся из соответствующих регистров, доступ на запись к которым осуществляется по адресам 0x0C, 0x10, 0x14 соответственно, но только в моменты, когда выходной сигнал busy_o равен нулю. Иными словами, изменение настроек передачи возможно только в моменты, когда передача не происходит. Доступ на чтение этих регистров может осуществляться в любой момент времени.
В регистр data модуля uart_rx_sb_ctrl записывается значение одноименного выхода модуля uart_rx в моменты положительного фронта clk_i, когда сигнал rx_valid_o равен единице. Доступ на чтение этого регистра осуществляется по адресу 0x00.
В регистр valid модуля uart_rx_sb_ctrl записывается единица по положительному фронту clk_i, когда выход rx_valid_o равен единице. Данный регистр сбрасывается в ноль при выполнении запроса на чтение по адресу 0x00, а также при получении сигнала interrupt_return_i. Сам регистр доступен для чтения по адресу 0x04. Регистр valid подключается к выходу interrupt_request_o. Что позволяет узнать о пришедших данных и посредством прерывания.
На вход tx_data_i модуля uart_tx подаются данные из регистра data модуля uart_tx_sb_ctrl. Доступ на запись в этот регистр происходит по адресу 0x00 в моменты положительного фронта clk_i, когда сигнал busy_o равен нулю. Доступ на чтение этого регистра может осуществляться в любой момент времени.
На вход tx_valid_i модуля uart_tx подается единица в момент выполнения запроса на запись по адресу 0x00 (при сигнале busy равном нулю). В остальное время на вход этого сигнала подается 0.
В случае запроса на запись значения 1 по адресу 0x24 (адресу сброса), все регистры модуля-контроллера должны сброситься. При этом регистр baudrate должен принять значение 9600, регистр parity должен принять значение 1, регистр, stopbit должен принять значение 1. Остальные регистры должны принять значение 0.
Адресное пространство контроллера uart_rx_sb_ctrl:
| Адрес | Режим доступа | Допустимые значения | Функциональное назначение |
|---|---|---|---|
| 0x00 | R | [0:255] | Чтение из регистра data, хранящего значение принятых данных |
| 0x04 | R | [0:1] | Чтение из регистра valid, сообщающего о том, что есть непрочитанные данные в регистре data |
| 0x08 | R | [0:1] | Чтение из регистра busy, сообщающего о том, что модуль находится в процессе приема данных |
| 0x0C | RW | [0:65535] | Чтение/запись регистра baudrate, отвечающего за скорость передачи данных |
| 0x10 | RW | [0:1] | Чтение/запись регистра parity, отвечающего за включение отключение проверки данных через бит четности |
| 0x14 | RW | [0:1] | Чтение/запись регистра stopbit, отвечающего за длину стопового бита |
| 0x24 | W | 1 | Запись сигнала сброса |
Адресное пространство контроллера uart_tx_sb_ctrl:
| Адрес | Режим доступа | Допустимые значения | Функциональное назначение |
|---|---|---|---|
| 0x00 | RW | [0:255] | Чтение и запись регистра data, хранящего значение отправляемых данных |
| 0x08 | R | [0:1] | Чтение из регистра busy, сообщающего о том, что модуль находится в процессе передачи данных |
| 0x0C | RW | [0:65535] | Чтение/запись регистра baudrate, отвечающего за скорость передачи данных |
| 0x10 | RW | [0:1] | Чтение/запись регистра parity, отвечающего за включение отключение проверки данных через бит четности |
| 0x14 | RW | [0:1] | Чтение/запись регистра stopbit, отвечающего за длину стопового бита |
| 0x24 | W | 1 | Запись сигнала сброса |
Видеоадаптер
Видеоадаптер позволяет выводить информацию на экран через интерфейс VGA. Предоставляемый в данной лабораторной работе vga-модуль способен выводить 80х30 символов (разрешение символа 8x16). Таким образом, итоговое разрешение экрана, поддерживаемого vga-модулем будет 80*8 x 30*16 = 640x480. VGA-модуль поддерживает управление цветовой схемой для каждого поля символа в сетке 80х30. Это значит, что каждый символ (и фон символа) может быть отрисован отдельным цветом из диапазона 16-ти цветов.
Рисунок 3. Пример вывода на экран символьной информации.
Для управления выводимым на экран содержимым, адресное пространство модуля разделено на следующие диапазоны:
Рисунок 4. Карта памяти vga-модуля.
Для того, чтобы вывести символ на экран, необходимо использовать адрес этого символа на сетке 80x30 (диапазон адресов char_map). К примеру, мы хотим вывести символ в верхнем левом углу. Это нулевой символ в диапазоне адресов char_map. Поскольку данный диапазон начинается с адреса 0x0000_0000, запись по этому адресу приведет к отображению символа, соответствующего ASCII-коду, пришедшему на write_data_i.
Если мы хотим вывести нулевой (левый) символ в первой строке (счет ведется с нуля), то необходимо произвести запись по адресу 1*80 + 0 = 80 = 0x0000_0050.
Вывод символа в правом нижнем углу осуществляется записью по адресу 0x0000_095F (80*30-1)
Установка цветовой схемы осуществляется по тем же самым адресам, к которым прибавлено значение 0x0000_1000:
- верхний левый символ —
0x0000_1000 - нулевой символ первой строки —
0x0000_1050 - нижний правый символ —
0x0000_195F
Цветовая схема каждой позиции состоит из двух цветов: цвета фона и цвета символа. Оба эти цвета выбираются из палитры 8 цветов, каждый из которых содержит два оттенка: цвет на полной яркости и цвет на уменьшенной яркости (см. рис. 5). Один из цветов — черный, оба его оттенка представляют собой один и тот же цвет. Ниже приведены коды цветов их rgb-значения:
Рисунок 5. Цветовая палитра vga-модуля.
Код цвета формируется следующим образом: старший бит определяет яркость оттенка цвета. Оставшиеся 3 бита кодируют используемый канал:
- 0 бит кодирует использование синего канала;
- 1 бит кодирует использование зеленого канала;
- 2 бит кодирует использование красного канала.
Таким образом, для установки цветовой схемы, необходимо выбрать два цвета из палитры, склеить их (в старших разрядах идет цвет символа, в младших — цвет фона) и записать получившееся 8-битное значение по адресу выбранной позиции в диапазоне адресов цветовой схемы (color_map).
К примеру, мы хотим установить черный фоновый цвет и белый цвет в качестве цвета символа для верхней левой позиции. В этом случае, мы должны записать значение f0 (f(15) — код белого цвета, 0 — код черного цвета) по адресу 0x0000_1000 (нулевой адрес в диапазоне color_map).
Для отрисовки символов, мы условно поделили экран на сетку 80х30, и для каждой позиции в этой сетке определили фоновый и активный цвет. Чтобы модуль мог отрисовать символ на очередной позиции (которая занимает 16х8 пикселей), ему необходимо знать в какой цвет необходимо окрасить каждый пиксель для каждого ascii-кода. Для этого используется память шрифтов.
Допустим, нам необходимо отрисовать символ F (ascii-код 0x46).
Рисунок 6. Отрисовка символа F в разрешении 16х8 пикселей.
Данный символ состоит из 16 строчек по 8 пикселей. Каждый пиксель кодируется одним битом (горит/не горит, цвет символа/фоновый цвет). Каждая строчка кодируется одним байтом (8 бит на 8 пикселей). Таким образом, каждый сканкод требует 16 байт памяти.
Данный модуль поддерживает 256 сканкодов. Следовательно, для хранения шрифта под каждый из 256 сканкодов требуется 16 * 256 = 4KiB памяти.
Для хранения шрифтов в модуле отведен диапазон адресов 0x00002000-0x00002FFF. В отличие от предыдущих диапазонов адресов, где каждый адрес был закреплен за соответствующей позицией символа в сетке 80x30, адреса данного диапазона распределены следующим образом:
- 0-ой байт — нулевая (верхняя) строчка символа с кодом 0;
- 1-ый байт — первая строчка символа с кодом 0;
- ...
- 15-ый байт — пятнадцатая (нижняя) строчка символа с кодом 0;
- 16-ый байт — нулевая (верхняя) строчка символа с кодом 1;
- ...
- 4095-ый байт — пятнадцатая (нижняя) строчка символа с кодом 255.
Прототип vga-модуля следующий:
module vgachargen (
input logic clk_i, // системный синхроимпульс
input logic clk100m_i, // клок с частотой 100МГц
input logic rst_i, // сигнал сброса
/*
Интерфейс записи выводимого символа
*/
input logic [ 9:0] char_map_addr_i, // адрес позиции выводимого символа
input logic char_map_we_i, // сигнал разрешения записи кода
input logic [ 3:0] char_map_be_i, // сигнал выбора байтов для записи
input logic [31:0] char_map_wdata_i, // ascii-код выводимого символа
output logic [31:0] char_map_rdata_o, // сигнал чтения кода символа
/*
Интерфейс установки цветовой схемы
*/
input logic [ 9:0] col_map_addr_i, // адрес позиции устанавливаемой схемы
input logic col_map_we_i, // сигнал разрешения записи схемы
input logic [ 3:0] col_map_be_i, // сигнал выбора байтов для записи
input logic [31:0] col_map_wdata_i, // код устанавливаемой цветовой схемы
output logic [31:0] col_map_rdata_o, // сигнал чтения кода схемы
/*
Интерфейс установки шрифта
*/
input logic [ 9:0] char_tiff_addr_i, // адрес позиции устанавливаемого шрифта
input logic char_tiff_we_i, // сигнал разрешения записи шрифта
input logic [ 3:0] char_tiff_be_i, // сигнал выбора байтов для записи
input logic [31:0] char_tiff_wdata_i,// отображаемые пиксели в текущей позиции шрифта
output logic [31:0] char_tiff_rdata_o,// сигнал чтения пикселей шрифта
output logic [3:0] vga_r_o, // красный канал vga
output logic [3:0] vga_g_o, // зеленый канал vga
output logic [3:0] vga_b_o, // синий канал vga
output logic vga_hs_o, // линия горизонтальной синхронизации vga
output logic vga_vs_o // линия вертикальной синхронизации vga
);
Файлы модуля:
- peripheral modules/vhachargen.sv
- peripheral modules/vhachargen_pkg.sv
- firmware/mem_files/lab_12_ps2_vga_instr.mem — этим файлом необходимо проинициализировать память инструкций
- firmware/mem_files/lab_12_ps2ascii_data.mem — этим файлом необходимо проинициализировать память данных
- firmware/mem_files/lab_12_vga_ch_map.mem
- firmware/mem_files/lab_12_vga_ch_t_ro.mem
- firmware/mem_files/lab_12_vga_ch_t_rw.mem
- firmware/mem_files/lab_12_vga_col_map.mem
Вам необходимо добавить в проект все эти файлы.
Для управления данным модулем, необходимо написать модуль-контроллер со следующим прототипом:
module vga_sb_ctrl (
input logic clk_i,
input logic rst_i,
input logic clk100m_i,
input logic req_i,
input logic write_enable_i,
input logic [3:0] mem_be_i,
input logic [31:0] addr_i,
input logic [31:0] write_data_i,
output logic [31:0] read_data_o,
output logic [3:0] vga_r_o,
output logic [3:0] vga_g_o,
output logic [3:0] vga_b_o,
output logic vga_hs_o,
output logic vga_vs_o
);
Реализация данного модуля исключительно простая. В первую очередь необходимо подключить одноименные сигналы напрямую:
clk_i,rst_i,clk100m_i,vga_r_o,vga_g_o,vga_b_o,vga_hs_o,vga_vs_o
Кроме того, необходимо:
- подключить напрямую сигнал
write_data_iко входам:char_map_wdata_i,col_map_wdata_i,char_tff_wdata_i,
- подключить биты
addr_i[11:2]ко входам:char_map_addr_i,col_map_addr_i,char_tiff_addr_i,
- сигнал
mem_be_iподключить ко входам:char_map_be_i,col_map_be_i,char_tiff_be_i.
Остается только разобраться с сигналами write_enable_i и read_data_o.
Оба эти сигнала мультиплексируются / демультиплексируются с помощью одного и того же управляющего сигнала: addr_i[13:12] в соответствии с диапазонами адресов (рис. 4):
addr_i[13:12] == 2'b00— сигналwrite_enable_iпоступает на входchar_map_we_i, выходchar_map_rdata_oзаписывается в выходной регистрread_data_o;addr_i[13:12] == 2'b01— сигналwrite_enable_iпоступает на входcol_map_we_i, выходcol_map_rdata_oзаписывается в выходной регистрread_data_o;addr_i[13:12] == 2'b10— сигналwrite_enable_iпоступает на входchar_tiff_we_i, выходchar_tiff_rdata_oзаписывается в выходной регистрread_data_o.




