Files
APS/Introduction/How FPGA works.md
Andrei Solodovnikov efee883c35 Eng. How FPGA works
2026-04-12 14:21:05 +03:00

26 KiB
Raw Blame History

What is an FPGA and How Does It Work

The sections "Digital Circuits and Logic Gates" and "Look-Up Tables" draw heavily from the article "How Does an FPGA Work?[1]" by Alchitry, Ell C, distributed under the CC BY-SA 4.0 license.

History of FPGAs

Before integrated circuits existed, electronic devices were built using vacuum tubes, which performed amplification and switching functions. These tubes were bulky, power-hungry, and short-lived. They were later replaced by transistors, which became the foundation of modern electronic circuits. Initially, transistors were used as discrete components just like tubes, and circuits were assembled from them like a Lego model. If a mistake was made, it could be corrected by manually reworking the connections between components, much like fixing an error when building a Lego model.

As technology advanced, transistors were miniaturized, making it possible to place them together with their interconnections on a single die. This gave rise to integrated circuits — electronic circuits fabricated on a semiconductor substrate and enclosed in a sealed package. This transition was a revolutionary step in the development of electronics, paving the way for compact and high-performance devices.

In most cases, it is impossible to correct a mistake made during the design and manufacture of an integrated circuit. Given that fabricating a prototype integrated circuit is a lengthy and expensive process (costing tens of thousands to millions of dollars), there arose a need for a flexible, fast, and inexpensive way to prototype and verify a circuit before committing to fabrication. This is how programmable logic devices (PLDs) came about. It should be noted that this book mainly focuses on a specific type of PLD known as an FPGA (field-programmable gate array).

An FPGA contains a finite set of basic building blocks (primitives), primitive interconnect blocks, and input/output blocks. By applying a specific set of configuration data to an FPGA (programming it), the primitives, their interconnections with each other, and with the I/O blocks can be configured to implement a desired digital circuit. The advantage of an FPGA is that if an error is found in a prototype implemented on the FPGA, the digital circuit can be corrected and the FPGA reprogrammed.

In addition, FPGAs can be used effectively not only as a low-cost prototyping tool, but also as the final implementation vehicle for low-volume products (it is cheaper to buy and program an off-the-shelf batch of FPGAs than to fabricate a custom batch of chips).

Let us take a closer look at what this device is and how it works internally, but first we need to cover some basics of digital circuits and logic gates.

Digital Circuits and Logic Gates

Digital Circuits

A digital circuit is an abstract model of computation that operates on two discrete states, commonly denoted as 0 and 1. It is important to understand that these states are not tied to specific physical quantities such as voltage in an electrical circuit. Instead, they represent generalized logical values that can be implemented on any technology capable of distinguishing two discrete states.

Thanks to this abstraction, digital circuits can be implemented not only using traditional electronic components, but also on entirely different platforms — for example, using pneumatic systems, cardboard and marbles, redstone dust in Minecraft, or even through human interaction, as described in Liu Cixin's novel "The Three-Body Problem" (the efficiency of such implementations is another matter entirely). The core idea is that a digital circuit is decoupled from its physical implementation, focusing solely on the logic of interactions between the states 0 and 1, which makes it universal and technology-independent.

Of course, when designing efficient digital circuits, the underlying technology must be taken into account.

In electronics, the word "digital" describes circuits that abstract away from continuous (analog) voltage values, using only two discrete values: 0 and 1. At this level of abstraction, we are not concerned with specific voltage levels or their thresholds, which allows us to design circuits in an idealized world where voltage can have only two values: 0 and 1. Ensuring these conditions is the responsibility of the basic building blocks from which digital circuits are constructed.

These basic building blocks are called logic gates.

Logic Gates

There are many types of logic gates; we will consider four of them: AND, OR, XOR, and NOT. Each of these elements accepts a digital value as input (see Digital Circuits), performs a specific logical function on its inputs, and produces the result of that function as a digital value on its output.

The logic gates in Figs. 14 are illustrated using standard schematic symbols from two standards: ANSI and GOST. Since the ANSI variant is widely used in the literature, it will be used throughout this book.

The AND gate takes two inputs and outputs a value of 1 only when both inputs are 1. If at least one input is 0, the output is 0. The AND gate is represented on schematics as follows:

../.pic/Introduction/How%20FPGA%20works/fig_01.drawio.svg

Figure 1. Schematic symbol of the AND gate.

The OR gate takes two inputs and outputs a value of 1 if at least one input equals 1. If both inputs are 0, the output is 0. The OR gate is represented on schematics as follows:

../.pic/Introduction/How%20FPGA%20works/fig_02.drawio.svg

Figure 2. Schematic symbol of the OR gate.

The XOR (Exclusive OR) gate takes two inputs and outputs a value of 1 when the input values are not equal to each other (one is 1 and the other is 0). If both inputs are equal (both 0 or both 1), the output is 0. The XOR gate is represented on schematics as follows:

../.pic/Introduction/How%20FPGA%20works/fig_03.drawio.svg

Figure 3. Schematic symbol of the XOR gate.

The NOT gate is the simplest. It takes a single input and outputs its inverse. If the input is 0, the output is 1; if the input is 1, the output is 0. It is represented on schematics as follows:

../.pic/Introduction/How%20FPGA%20works/fig_04.drawio.svg

Figure 4. Schematic symbol of the NOT gate.

There are also variations of the basic gates, such as NAND, NOR, and XNOR, which differ from their base counterparts in that the result of the operation is inverted relative to the result of the corresponding operation without the inversion.

Logic gates can be built from transistors. A transistor is a device that can pass or block current depending on the voltage applied to its control terminal.

A key feature of modern integrated circuits is that they are built using complementary (P- and N-type) transistor pairs — Complementary Metal-Oxide-Semiconductor (CMOS) logic. For this type of transistor, it turns out to be more efficient to implement NAND and NOR operations.

From the perspective of building digital circuits, MOS transistors (P- and N-type) can be thought of as switches that either connect or disconnect two terminals. The difference between P- and N-type transistors lies in the voltage at the control terminal that causes the transistor to be "on" (terminals connected) or "off" (connection broken). Fig. 5 illustrates this difference.

The terminals between which the connection is formed are called the "drain" (d) and "source" (s), and the control terminal is called the "gate" (g). Note that a logic gate and a transistor gate are different things!

../.pic/Introduction/How%20FPGA%20works/fig_05.drawio.svg

Figure 5. P-type and N-type MOS transistors.

Fig. 6 shows how NAND and NOR gates are constructed using CMOS technology. Let us walk through the operation of the NAND gate.

Applying a value of 1 to input A or B turns on the corresponding N-channel transistor (shown in red in Fig. 6) and turns off its complementary P-channel transistor (shown in blue). Applying 1 to both inputs turns off both P-channel transistors (the upper portion of the circuit is open, effectively removing it from the output) and turns on both N-channel transistors. As a result, the output is connected to "ground" (the black triangle at the bottom of the circuit), which is equivalent to 0 in terms of digital values.

If at least one of the inputs A or B is 0, one of the parallel-connected P-channel transistors turns on (while the connection to "ground" is broken), and the output is connected to the supply voltage (the two perpendicular lines at the top of the circuit), which is equivalent to 1 in terms of digital values.

As you can see, the output voltage is driven from the power supply or ground, not from the gate inputs themselves. This is precisely what ensures continuous voltage refresh and noise immunity of digital circuits.

../.pic/Introduction/How%20FPGA%20works/fig_06.drawio.svg

Figure 6. Schematic of NAND and NOR gates built from CMOS transistors.

As a rule, when it is necessary to invert an input or output of a logic element in a schematic, a small circle is drawn on it rather than adding an explicit NOT gate as shown in Fig. 4. For example, the NAND gate is represented in the form shown in Fig. 6.

If desired, a NAND gate can easily be converted into an AND gate (just as a NOR gate can be converted into an OR gate) by placing an inverter at the output of NAND, built from two MOS transistors as shown in Fig. 7.

../.pic/Introduction/How%20FPGA%20works/fig_07.drawio.svg

Figure 7. Schematic of a NOT gate built from CMOS transistors.

CMOS logic is far from the only way to build digital elements; other approaches were widely used in the past, such as circuits built using only one type of transistor. However, the use of complementary pairs has proven to be the most efficient, and today this approach dominates digital circuit design.

Using only the logic gates described above, it is possible to build any(!) digital circuit.

However, when describing digital circuits, certain digital blocks are used so frequently that dedicated symbols have been introduced for them — adders, multipliers, multiplexers, etc. — which are used when describing more complex circuits. Let us look at one of the fundamental building blocks in an FPGA: the multiplexer.

Multiplexers

A multiplexer is a device that routes one of its input signals to the output, depending on the value of a select signal.

The schematic symbol of a multiplexer is shown in Figure 8.

../.pic/Introduction/How%20FPGA%20works/fig_08.drawio.svg

Figure 8. Multiplexer symbol.

The / symbol on the sel line indicates that this signal is multi-bit, and the number below specifies that the signal width is 6 bits.

A multiplexer can have any number of inputs, but always has exactly one output.

The way in which the select signal is encoded can also vary. The simplest digital multiplexer circuit results from using one-hot encoding. With this encoding, the value of the multi-bit select signal always contains exactly one 1. The information carried by such an encoded signal is contained in the position of that 1 within the select signal.

Let us see how a multiplexer with a one-hot-encoded select signal can be implemented using only AND and OR gates:

../.pic/Introduction/How%20FPGA%20works/fig_09.drawio.svg

Figure 9. Multiplexer implementation using one-hot encoding.

If we set the select signal to 000010, meaning that only the first bit of this signal (counting from zero) equals one (sel[1] = 1), we can see that a value of 0 is applied to one input of each AND gate. The exception is the AND gate for input b, which receives a value of 1. This means that all AND gates (except the one connected to input b) will output 0 (see Logic Gates) regardless of what is applied to inputs a, c, d, e, and f. The only input that will affect the circuit's output is b. When it is 1, the corresponding AND gate outputs 1. When it is 0, the AND gate outputs 0. In other words, the AND gate's output mirrors the value of b.

../.pic/Introduction/How%20FPGA%20works/fig_10.drawio.svg

Figure 10. Multiplexer implementation using one-hot encoding.

The OR gate in this circuit has more than two inputs. Such a gate can be constructed as a cascade of two-input OR gates:

../.pic/Introduction/How%20FPGA%20works/fig_11.drawio.svg

Figure 11. Multi-input OR gate implementation.

A multi-input OR gate behaves exactly like a two-input one: it outputs 1 when at least one input is 1. If all inputs are 0, the output is 0.

In our multiplexer circuit, it is guaranteed that every input of the OR gate except one will be 0 (since every AND gate output except one will be 0). This means the output of the multi-input OR gate depends on only one input (when sel = 000010, it depends on input b).

../.pic/Introduction/How%20FPGA%20works/fig_12.drawio.svg

Figure 12. Multiplexer implementation using one-hot encoding.

By changing the value of sel, we can control which multiplexer input is routed to the output.

Programmable Memory

Transistors can be used to build not only logic elements, but also memory elements. Fig. 13 shows a schematic of the simplest static memory cell, consisting of one transistor and two inverters (totaling 5 transistors, which is why it is called 5T SRAM). This cell implements 1 bit of programmable memory and was one of the core components of the very first FPGA.

../.pic/Introduction/Sequential%20logic/fig_06.drawio.svg

Figure 13. Programmable memory cell of the Xilinx XC2064 FPGA [2, p. 2-63].

This memory is a bistable cell — a loop of two inverters in which the stored value is "latched". A signal inverted twice returns to its original value, and as it passes through each inverter, the signal's voltage level is refreshed, preventing it from decaying due to circuit resistance.

To write a new value into the bistable cell, an additional transistor is connected to its input, which connects or disconnects it from the supply voltage or ground.

Look-Up Tables (LUTs)

Imagine a multiplexer with four input signals and a two-bit select signal (note that this signal now uses standard binary encoding). But instead of exposing the input signals to the outside world, let us connect them to programmable memory. This means we can "program" each input to hold a constant value. If we enclose the result in a separate block, we obtain a two-input Look-Up Table (LUT).

../.pic/Introduction/How%20FPGA%20works/fig_14.drawio.svg

Figure 14. Look-Up Table (LUT) implementation.

The two inputs of the LUT are the bits of the select signal of the multiplexer hidden inside the LUT. By programming the multiplexer inputs (more precisely, by programming the memory to which the multiplexer inputs are connected), we can implement any(!) logical function with two inputs and one output on top of the LUT.

For example, suppose we want to implement logical AND. To do so, we need to write the following content into the memory:

Address ({x, y}) Value (f)
00 0
01 0
10 0
11 1

This is the simplest example — in practice, LUTs typically have more inputs, allowing them to implement more complex logic.

D Flip-Flops

As you have already seen, using an unlimited number of LUTs, you can build a digital circuit that implements a logical function of any complexity. However, digital circuits are not limited to implementing logical functions only (circuits that implement logical functions are called combinational circuits, because the output depends only on the current combination of inputs). For example, a digital circuit implementing a processor cannot be built this way. Such circuits require memory elements. Note that we are not talking about the programmable memory used to configure the logic functions implemented by the LUTs — we are talking about memory cells used by the circuit's own logic.

The fundamental memory element is the D flip-flop. D flip-flops can be used to build other memory elements, such as registers (and registers can be used to build random access memory (RAM)), shift registers, and so on.

A D flip-flop is a digital element capable of storing one bit of information. In its basic form, it has two inputs and one output. One input receives the value to be stored in the D flip-flop; the other controls the write operation (typically called clk or clock, and connected to the circuit's clock signal). When the control signal transitions from 0 to 1 (or from 1 to 0, depending on the design), the data signal's value is captured into the D flip-flop. It is commonly said that a D flip-flop is built from two D latches, which in turn are built from SR latches. Ultimately, however, all of these elements can be implemented using AND/OR and NOT gates:

../.pic/Introduction/Sequential%20logic/fig_05.drawio.svg

Figure 15. D flip-flop implementation.

Arithmetic

In addition to the blocks described above (multiplexers and the LUTs and registers built on top of them), there is another type of block so frequently used in digital circuits that it is pre-placed in FPGAs in large quantities: arithmetic blocks. These blocks are used for addition, subtraction, comparison, and counter implementations. Different FPGAs may include different arithmetic primitives: some include a 1-bit adder, others a carry-chain block.

All of these blocks can be implemented using logic gates. For example, here is how a full adder can be implemented:

../.pic/Labs/lab_01_adder/fig_02.drawio.svg

Figure 16. Full 1-bit adder implementation.

Logic Blocks

The previous sections covered individual types of digital blocks: look-up tables, registers, and arithmetic blocks. For structural convenience, these blocks are grouped together inside an FPGA as logic blocks. Typically, logic blocks in modern FPGAs consist of logic cells (or logic elements), but for simplicity we will use these terms interchangeably.

A logic block can contain one or more LUTs, an arithmetic block, and one or more D flip-flops, connected to each other through a number of multiplexers. Figure 17 shows what a logic block may look like:

../.pic/Labs/lab_03_memory/fig_02.png

Figure 17. Logic cell schematic [2].

A logic block represents a chain of operations: logical function implemented in LUT → arithmetic operation → write to D flip-flop. Each multiplexer determines whether any of these stages is bypassed. By configuring a logic block, the following variations of a circuit fragment can be obtained:

  1. Combinational circuit (logical function implemented in a LUT)
  2. Arithmetic operation
  3. Write data to a D flip-flop
  4. Combinational circuit with the result written to a D flip-flop
  5. Arithmetic operation with the result written to a D flip-flop
  6. Combinational circuit followed by an arithmetic operation
  7. Combinational circuit followed by an arithmetic operation and a write to a D flip-flop

Figure 18 shows a real example of logic block usage in the xc7a100tcsg324-1 FPGA when implementing an Arithmetic Logic Unit (ALU) connected to the peripherals of the Nexys-7 development board. In this figure, you can see the use of LUTs, an arithmetic block (carry-lookahead), and one of the D flip-flops. D flip-flops shown in grey are unused.

../.pic/Introduction/How%20FPGA%20works/fig_18.png

Figure 18. Example of logic cell usage.

With a large set of such logic blocks and the ability to interconnect them as needed, you have extensive capabilities for implementing virtually any digital circuit (the only limitation is the FPGA's capacity — i.e., the number of logic blocks, I/O pins, and so on).

In addition to logic blocks, FPGAs also include other primitives: block RAM, multiplier blocks, and so on.

Interconnect Network

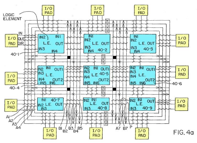
To understand how the interconnection of logic blocks is controlled, let us look at Fig. 19, taken from the FPGA patent [4].

../.pic/Introduction/How%20FPGA%20works/fig_19.jpg

Figure 19. FPGA contents showing the interconnection of logic blocks and I/O blocks [5].

Nine logic blocks are shown in blue, and twelve I/O blocks in yellow. All of these blocks are surrounded by an interconnect network, which consists of a grid of horizontal and vertical wiring lines — the general purpose interconnect [2, 2-66].

The diagonal marks at line crossings represent programmable interconnect points (PIPs): transistors whose gates are connected to programmable memory.

By controlling the value stored in the memory connected to a transistor's gate, it is possible to determine whether that transistor acts as an open connection or a closed switch at that point in the grid. This allows "unused" segments of the network to be removed, leaving only the routes needed to connect the logic blocks to each other.

Chapter Summary

  1. Using elements such as transistors, it is possible to build logic gates: AND, OR, NOT, and so on.
  2. Using logic gates, it is possible to create circuits that implement both logical functions (combinational circuits) and complex logic with memory (sequential circuits).
  3. Logic gates can also be used to build the important combinational circuit known as the multiplexer: a digital block that routes one of its input signals to the output based on the value of a select signal.
  4. Furthermore, by connecting the input of a bistable cell (a loop of two inverters) to a transistor, one bit of programmable memory can be obtained.
  5. By connecting the input signals of a multiplexer to programmable memory, a Look-Up Table (LUT) is obtained, which can implement simple logical functions. LUTs can replace AND/OR/NOT gates and have the advantage of being dynamically reconfigurable. Logic gates, by contrast, are fixed at fabrication and cannot be changed afterwards.
  6. Logic gates can also be used to build the basic memory element — the D flip-flop — and the combinational circuit known as the full 1-bit adder (or any other commonly used arithmetic block).
  7. Combining a LUT, an arithmetic block, and a D flip-flop yields the FPGA structure known as a logic block.
  8. A logic block (as well as other primitives, such as block RAM or multipliers) represents a set of blocks that are physically pre-placed in the FPGA die; their quantity is fixed by the specific FPGA and cannot be changed.
  9. By connecting programmable memory to transistors located at the nodes of the interconnect network, the placement of breaks in the network can be controlled, making it possible to leave only the routing paths that carry signals where they are needed (signal routing).
  10. By configuring primitives and routing signals between them (see item 4), virtually any digital circuit can be implemented (subject to the FPGA's capacity constraints).

References

  1. Alchitry, Ell C / How Does an FPGA Work?
  2. Xilinx / The Programmable Gate Array Data Book
  3. Wikipedia / Field-programmable gate array
  4. Ross H. Freeman / Configurable electrical circuit having configurable logic elements and configurable interconnects / United States Patent
  5. Ken Shirriff / Reverse-engineering the first FPGA chip, the XC2064