This website requires JavaScript.
Explore
Help
Sign In
MPSU
/
APS
Watch
1
Star
0
Fork
0
You've already forked APS
mirror of
https://github.com/MPSU/APS.git
synced
2026-01-11 13:15:32 +00:00
Code
Issues
Packages
Projects
Releases
Wiki
Activity
Files
d903badf3c90725fbc6ef8ad76515c7410b5c1ca
APS
/
.pic
/
Lectures
/
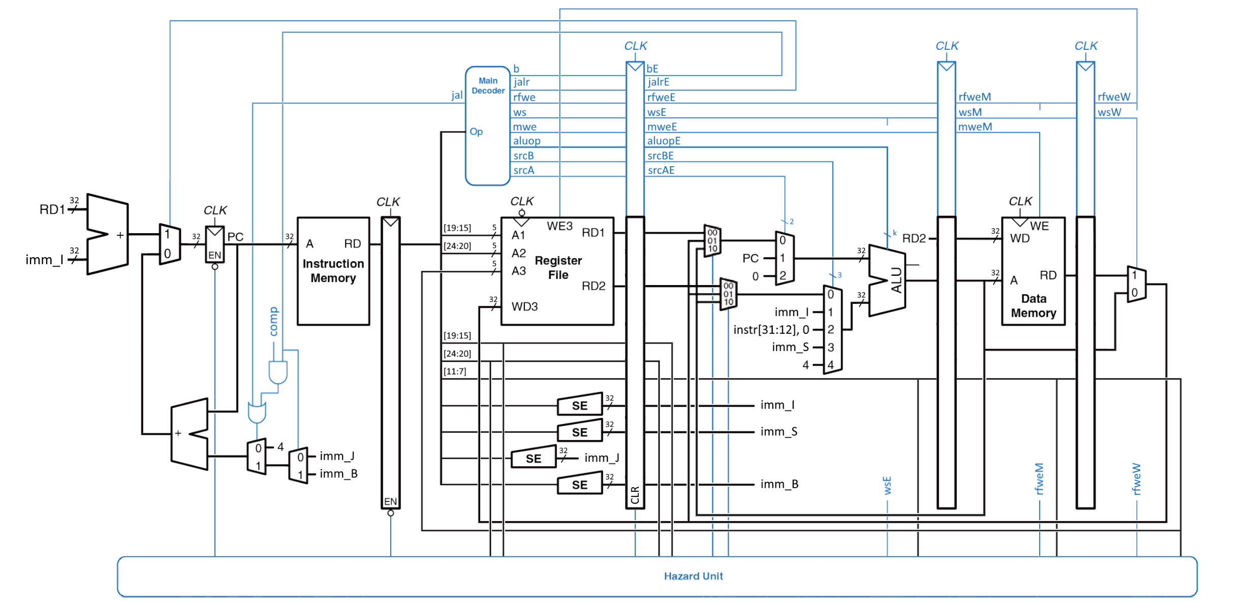
10. Pipeline processor
/
fig_02.png
Andrei Solodovnikov
5498bc74e3
Обновление схем однотактного и конвейерного процессора в лекциях
...
Closes
#127
,
closes
#124
.
2025-07-07 11:59:40 +03:00
248 KiB
2450x1185px
Raw
History