This website requires JavaScript.
Explore
Help
Sign In
MPSU
/
APS
Watch
1
Star
0
Fork
0
You've already forked APS
mirror of
https://github.com/MPSU/APS.git
synced
2026-03-27 07:35:32 +00:00
Code
Issues
Packages
Projects
Releases
Wiki
Activity
Files
c9fa0903832cee75794ce1c18cd4b36c0706adc2
APS
/
.pic
/
Lectures
/
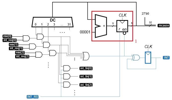
14. Interrupt subsystem
/
fig_13.jpg
Andrei Solodovnikov
c3bb1df66b
Добавление конспектов лекций
2023-12-11 21:11:00 +03:00
50 KiB
694x404px
Raw
History