This website requires JavaScript.
Explore
Help
Sign In
MPSU
/
APS
Watch
1
Star
0
Fork
0
You've already forked APS
mirror of
https://github.com/MPSU/APS.git
synced
2025-11-20 23:00:40 +00:00
Code
Issues
Packages
Projects
Releases
Wiki
Activity
Files
c930d2d06910e505371feb3e04db1c000919bccb
APS
/
.pic
/
Lectures
/
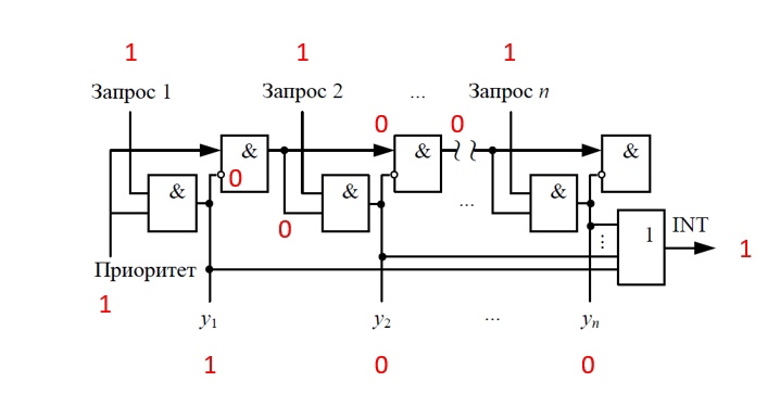
14. Interrupt subsystem
/
fig_07.jpg
Andrei Solodovnikov
c3bb1df66b
Добавление конспектов лекций
2023-12-11 21:11:00 +03:00
37 KiB
718x375px
Raw
History