This website requires JavaScript.
Explore
Help
Sign In
MPSU
/
APS
Watch
1
Star
0
Fork
0
You've already forked APS
mirror of
https://github.com/MPSU/APS.git
synced
2025-11-20 23:00:40 +00:00
Code
Issues
Packages
Projects
Releases
Wiki
Activity
Files
9e3042a2bb415e1d7ac6acf82c828fc48a629eac
APS
/
.pic
/
Lectures
/
10. Pipeline processor
/
fig_02.png
Andrei Solodovnikov
5498bc74e3
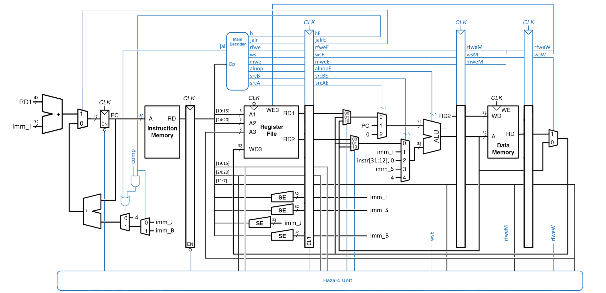
Обновление схем однотактного и конвейерного процессора в лекциях
...
Closes
#127
,
closes
#124
.
2025-07-07 11:59:40 +03:00
248 KiB
2450x1185px
Raw
History