Files
APS/Labs/11. Interrupt integration
Andrei Solodovnikov 1bb2fdd323 Переход на использование mem-файлов (#38)
Раньше в вивадо была проблема с использованием mem-файлов.
Они нормально моделировались, но при этом не использовались в
синтезе, пока им не выставишь тип "Memory Initialization File".

Однако с выставлением этого типа файл нельзя было открыть в
вивадо (и даже поменять тип этого файла).

Поэтому, все файлы в курсе носили расширение .txt, чтобы их можно
было легко открыть в любом другом редакторе, а в вивадо
выставлялся злополучный тип "Memory Initialization File" вручную.

Сейчас же, судя по всему, вивадо нормально выполняет синтез и
с "Memory File" тоже, а значит нет нужды в каком-либо изменении
типов, лишь бы файлы носили расширение .mem. При этом файлы этого
типа можно открывать и редактировать в редакторе вивадо.
2024-01-17 14:35:04 +03:00
..

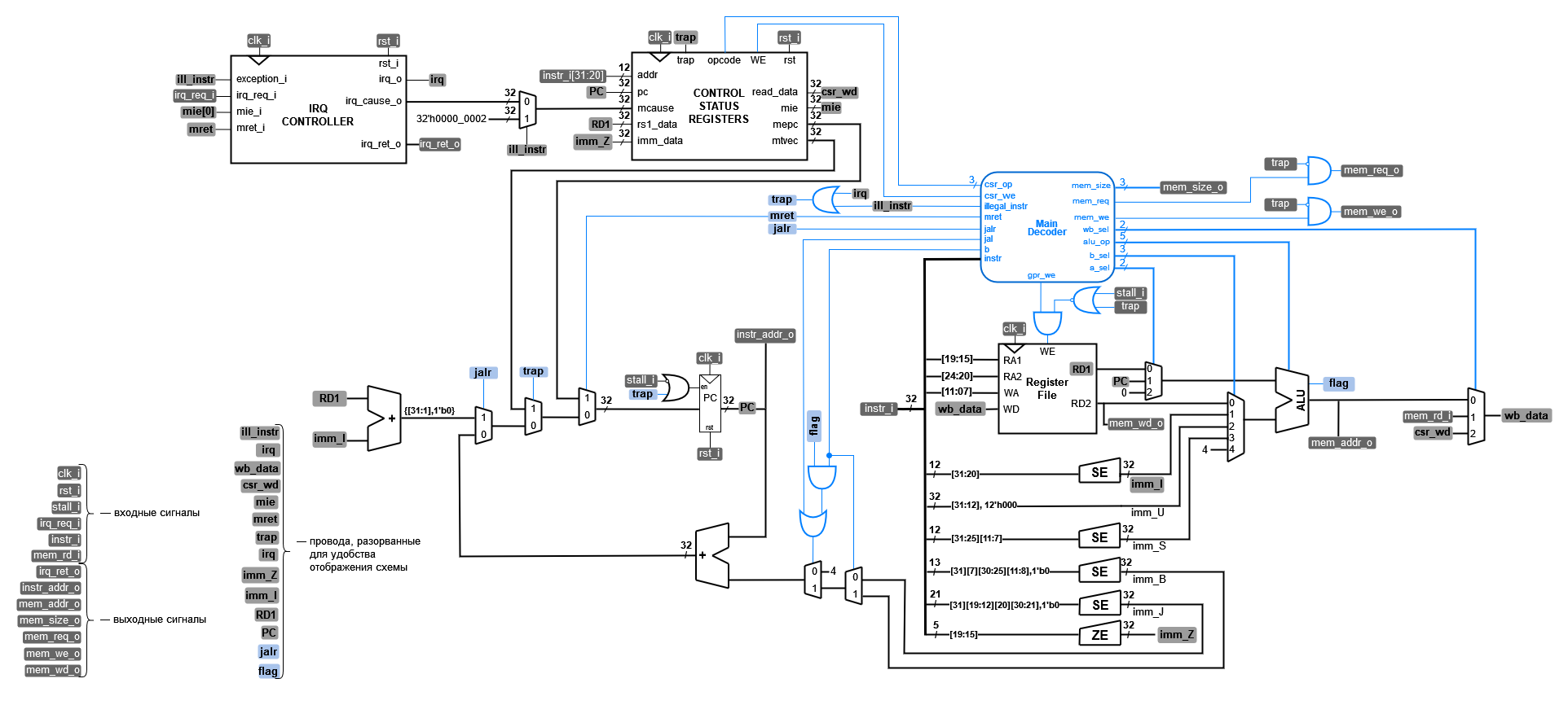
Лабораторная работа 11 "Интеграция подсистемы прерываний"

После реализации подсистемы прерываний, её необходимо интегрировать в процессорную систему. Для этого необходимо обновить модуль riscv_core по приведенной ниже схеме:

../../.pic/Labs/lab_10_irq/fig_03.drawio.png

Схема без выделения новых частей относительно старой версии модуля

../../.pic/Labs/lab_11_irq_integration/fig_01.drawio.png

Задание

Интегрировать модули csr_controller и irq_controller в модуль riscv_core.

Порядок выполнения работы

  1. Интегрируйте модули csr_controller и irq_controller в модуль riscv_core.
    1. Обратите внимание, что что в модуле riscv_core появились новые входные и выходные сигналы: irq_req_i и irq_ret_o. Эти сигналы должны быть использованы при подключении riscv_core в модуле riscv_unit.
      1. Ко входу irq_req_i должен быть подключен провод irq_req, другой конец которого пока не будет ни к чему подключен (в следующей лабораторной это будет изменено).
      2. К выходу irq_ret_o необходимо подключить провод irq_ret, который также пока не будет использован.
  2. После интеграции модулей, проверьте процессорную систему с помощью программы, текст которой был представлен в ЛР10 с помощью предоставленного тестбенча.