This website requires JavaScript.
Explore
Help
Sign In
MPSU
/
APS
Watch
1
Star
0
Fork
0
You've already forked APS
mirror of
https://github.com/MPSU/APS.git
synced
2025-11-20 15:00:39 +00:00
Code
Issues
Packages
Projects
Releases
Wiki
Activity
Files
65c307d5268c459a2c6eaa26406094439b71b840
APS
/
.pic
/
Labs
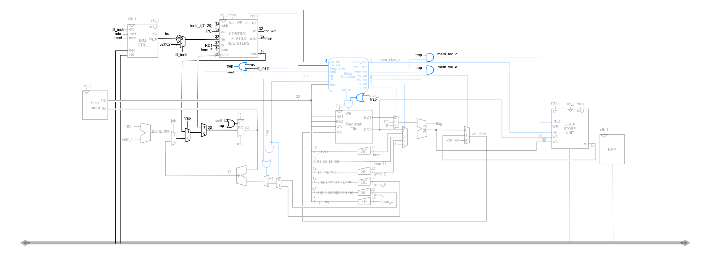
/
lab_11_irq_integration.drawio.png
Andrei Solodovnikov
961613f267
Обновление иллюстраций к лабам
2023-12-25 21:43:13 +03:00
514 KiB
2376x865px
Raw
History