This website requires JavaScript.
Explore
Help
Sign In
MPSU
/
APS
Watch
1
Star
0
Fork
0
You've already forked APS
mirror of
https://github.com/MPSU/APS.git
synced
2025-11-20 23:00:40 +00:00
Code
Issues
Packages
Projects
Releases
Wiki
Activity
Files
65c307d5268c459a2c6eaa26406094439b71b840
APS
/
.pic
/
Labs
/
lab_06_dp
/
fig_01.drawio.png
Andrei Solodovnikov
8ee7df7656
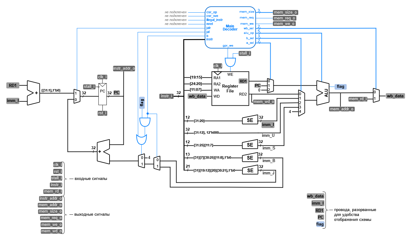
ЛР6. Изменение разрядности wb_src_sel на схеме
...
Выход декодера двухразрядный, в будущих лабах это будет использовано.
Closes
#23
2023-11-14 19:38:34 +03:00
307 KiB
1332x779px
Raw
History