mirror of
https://github.com/MPSU/APS.git
synced 2026-04-27 14:45:33 +00:00
Лабораторная работа 11 "Интеграция подсистемы прерываний"
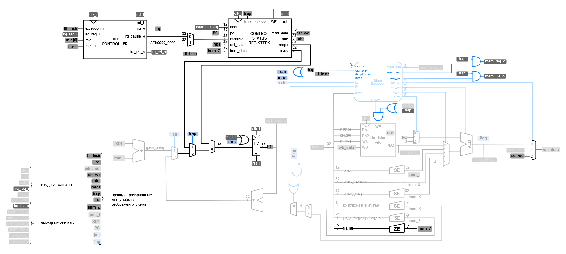
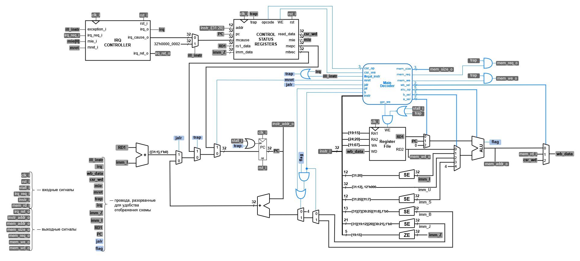
После реализации подсистемы прерываний, её необходимо интегрировать в процессорную систему. Для этого необходимо обновить модуль riscv_core по приведенной ниже схеме:
Задание
Интегрировать модули csr_controller и irq_controller в модуль riscv_core.
Порядок выполнения работы
- Интегрируйте модули
csr_controllerиirq_controllerв модульriscv_core.- Обратите внимание, что что в модуле
riscv_coreпоявились новые входные и выходные сигналы:irq_req_iиirq_ret_o. Эти сигналы должны быть использованы при подключенииriscv_coreв модулеriscv_unit.- Ко входу
irq_req_iдолжен быть подключен проводirq_req, другой конец которого пока не будет ни к чему подключен (в следующей лабораторной это будет изменено). - К выходу
irq_ret_oнеобходимо подключить проводirq_ret, который также пока не будет использован.
- Ко входу
- Обратите внимание, что что в модуле
- После интеграции модулей, проверьте процессорную систему с помощью программы, текст которой был представлен в ЛР10 с помощью предоставленного тестбенча.

