Files
APS/Labs/08. Load-store unit
Andrei Solodovnikov 688ea46d68 Исправление пунктуационных и орфографических ошибок
В основном вставка пропущенных запятых и удаление лишнего пробела из
союза "а также", но были и другие ошибки и опечатки.
2024-01-11 11:44:44 +03:00
..

Лабораторная работа 8 "Блок загрузки и сохранения"

Итогом шестой лабораторной работы стал практически завершенный процессор архитектуры RISC-V. Особенностью той реализации процессора было отсутствие поддержки инструкций LB, LBU, SB, LH, LHU, SH. Тому было две причины:

  • в третьей лабораторной работе была реализована память данных, не поддерживавшая возможность обновления отдельных байт;
  • необходимо подготовить считанные из памяти полуслова / байты для записи в регистровый файл.

В седьмой лабораторной работе была реализована новая память данных, в которой можно управлять записью в отдельные байты посредством управляющего сигнала byte_enable, каждый отдельный бит которого является разрешением записи в соответствующий байт слова. Необходимо управлять этим сигналом, используя интерфейс памяти процессора.

Для этих целей используется специальный модуль — Блок загрузки и сохранения (Load and Store Unit, LSU).

Цель

Разработка блока загрузки и сохранения для подключения к внешней памяти данных, поддерживающей запись в отдельные байты памяти.


Ход работы

Изучить:

  • Функции и задачи блока загрузки/сохранения
  • Интерфейс процессора и блока загрузки/сохранения
  • Интерфейс блока загрузки/сохранения и памяти

Реализовать и проверить модуль riscv_lsu.


Теория

Модуль загрузки и сохранения (Load/Store Unit LSU) служит для исполнения инструкций типа LOAD и STORE: является прослойкой между внешним устройством памятью, и ядром процессора. LSU считывает содержимое из памяти данных или записывает в нее требуемые значения, преобразуя 8- и 16-битные данные в знаковые или беззнаковые 32-битные числа для регистров процессора. В процессорах с RISC архитектурой с помощью LSU осуществляется обмен данными между регистрами общего назначения и памятью данных.

../../.pic/Labs/lab_08_lsu/fig_01.drawio.png

Рисунок 1. Место LSU в микроархитектуре RISC-процессора

Интерфейс процессора и блока загрузки/сохранения

Параграф посвящен описанию сигналов и правил взаимодействия между процессором и блоком загрузки/сохранения LSU (core protocol).

На входной порт core_addr_i от процессора поступает адрес ячейки памяти, к которой будет произведено обращение. Намеренье процессора обратиться к памяти (и для чтения, и для записи) отражается выставлением сигнала core_req_i в единицу. Если процессор собирается записывать в память, то сигнал core_we_i выставляется в единицу, а сами данные, которые следует записать, поступают от него на вход core_wd_i. Если процессор собирается читать из памяти, то сигнал core_we_i находится в нуле, а считанные данные подаются для процессора на выход core_rd_o.

Инструкции LOAD и STORE в RV32I поддерживают обмен 8-битными, 16-битными или 32-битными значениями, однако в самом процессоре происходит работа только с 32-битными числами, поэтому загружая байты или полуслова из памяти их необходимо предварительно расширить до 32-битного значения. Для выбора разрядности на вход LSU подается сигнал core_size_i, принимающий следующие значения:

Название Значение Пояснение
LDST_B 3'd0 Знаковое 8-битное значение
LDST_H 3'd1 Знаковое 16-битное значение
LDST_W 3'd2 32-битное значение
LDST_BU 3'd4 Беззнаковое 8-битное значение
LDST_HU 3'd5 Беззнаковое 16-битное значение

Формат представления числа (является оно знаковым или беззнаковым) имеет значение только для операций типа LOAD: если число знаковое, то производится расширение знака до 32 бит, а если беззнаковое расширение нулями.

Для операций типа STORE формат представления чисел не важен, для них core_size_i сможет принимать значение только от 0 до 2.

Выходной сигнал core_stall_o нужен для остановки программного счетчика. Ранее логика этого сигнала временно находилась в модуле riscv_unit — теперь она займет свое законное место в модуле LSU.

Интерфейс блока загрузки/сохранения и памяти

В параграфе описывается организация внешней памяти, и то, как к ней подключается LSU.

Память данных имеет 32-битную разрядность ячейки памяти и поддерживает побайтовую адресацию. Это значит, что существует возможность записи значения по одному байту в пределах одного слова (4-байтовой ячейки памяти). Для указания на необходимые байты интерфейс к памяти предусматривает использование 4-битного сигнала mem_be_o, подаваемого вместе с адресом слова mem_addr_o. Позиции битов 4-битного сигнала соответствуют позициям байтов в слове. Если конкретный бит mem_be_o равен 1, то соответствующий ему байт будет записан в память. Данные для записи подаются на выход mem_wd_o. На результат чтения из памяти состояние mem_be_o не влияет, так как чтение производится всегда по 32-бита.

После получения запроса на чтение/запись из ядра, LSU перенаправляет запрос в память данных, взаимодействие осуществляется следующими сигналами:

  • сигнал mem_req_o сообщает памяти о наличии запроса в память (напрямую подключен к core_req_i);
  • сигнал mem_we_o сообщает памяти о типе этого запроса (напрямую подключен к core_we_i):
    • mem_we_o равен 1, если отправлен запрос на запись,
    • mem_we_o равен 0, если отправлен запрос на чтение;
  • сигнал mem_wd_o содержит данные на запись в память. В зависимости от размера записи, данные этого сигнала будут отличаться от пришедшего сигнала core_wd_i и будут является результатом определенных преобразований.
  • сигнал mem_rd_i содержит считанные из памяти данные. Перед тем, как вернуть считанные данные ядру через выходной сигнал core_rd_o, эти данные будет необходимо подготовить.
  • сигнал mem_ready_i сообщает о готовности памяти завершить транзакцию на текущем такте. Этот сигнал используется для управления выходным сигналом core_stall_o.

Практика

Познай как описать выходные сигналы модуля — и ты познаешь как описать сам модуль. ©Джейсон Стейтем

Реализация любого модуля сводится к реализации логики, управляющей каждым отдельным выходным сигналом посредством входных сигналов. Разберем принцип работы каждого выходного сигнала:

mem_req_o, mem_we_o, mem_addr_o

Все эти сигналы подключаются напрямую к соответствующим core-сигналам:

  • mem_req_o к core_req_i;
  • mem_we_o к core_we_i;
  • mem_addr_o к core_addr_i.

mem_be_o

По запросу на запись (core_req_i == 1, core_we_i == 1), если core_size_i соответствует инструкции записи байта (SB), то в сигнале mem_be_o бит с индексом равным значению двух младших бит адреса core_addr_i должен быть равен единице.

Допустим, пришел запрос на запись байта по адресу 18:

  • core_req_i == 1,
  • core_we_i == 1,
  • core_size_i == LDST_B
  • core_addr_i == 32'b10010

В данном случае, необходимо выставить единицу во втором (считая с нуля) бите сигнала mem_be_o (поскольку значение двух младших бит core_addr_i равно двум): mem_be_o == 4'b0100.

Если пришел запрос на запись полуслова (SH, core_size_i == LDST_H), то в сигнале mem_be_o необходимо выставить в единицу либо два старших, либо два младших бита (в зависимости от core_addr[1])

Если пришел запрос на запись слова (SW, core_size_i == LDST_W), то в сигнале mem_be_o необходимо выставить в единицу все биты.

mem_wd_o

Сигнал mem_wd_o функционально связан с сигналом mem_be_o, т.к. они оба выполняют функцию записи конкретных байт в памяти. Допустим процессор хочет записать байт 0xA5 по адресу 18. Для этого он формирует сигналы:

  • core_req_i == 1,
  • core_we_i == 1,
  • core_size_i == LDST_B
  • core_addr_i == 32'b10010
  • core_wd_i == 32h0000_00A5

Мы уже знаем, что mem_be_o должен быть при этом равен 4'b0100. Однако если в память придут сигналы:

  • mem_be_o == 4'b0100,
  • mem_wd_o == 32'h0000_00A5

то по адресу 18 будет записано значение 0x00 (поскольку второй байт на шине mem_wd_o равен нулю).

Для того, чтобы по 18-ому адресу записалось значение A5, это значение должно оказаться во втором байте mem_wd_o. А в случае 17-го адреса, значение должно оказаться в первом байте и т.п.

Получается, что в случае записи байта, проще всего продублировать записываемый байт во все байты шины mem_wd_o, ведь в память запишется только тот, которому будет соответствовать бит mem_be_o, равный единице. Дублирование можно осуществить с помощью конкатенации.

В случае записи полуслова (core_size_i == LDST_H) ситуация схожа, только теперь дублировать надо не 1 байт 4 раза, а полслова (16 младших бит шины core_wd_i) два раза.

В случае записи слова (core_size_i == LDST_W), сигнал mem_wd_o будет повторять сигнал core_wd_i.

core_rd_o

Сигнал core_rd_o — это сигнал, который будет содержать данные для записи в регистровый файл процессора во время инструкций загрузки из памяти (LW, LH, LHU, LB, LBU). Чтобы понять, как управлять этим сигналом, нужно понять, что происходит во время этих инструкций.

Предположим, по адресам 16-19 лежит слово 32'hA55A_1881. Чтение по любому из адресов 16, 17, 18, 19 вернет это слово на входном сигнале mem_rd_i. В случае инструкции LB (core_size_i == LDST_B) по адресу 19 (чтение байта, который интерпретируется как знаковое число), в регистровый файл должно быть записано значение 32'hFFFF_FFA5, поскольку по 19-ому адресу лежит байт A5, который затем будет знакорасширен. В случае той же самой инструкции, но по адресу 18, в регистровый файл будет записано значение 32'h0000_005A (знакорасширенный байт 5A, расположенный по 18ому адресу).

Получить нужный байт можно из входного сигнала mem_rd_i, но чтобы понять какие биты этого сигнала нас интересуют, необходимо посмотреть на входные сигналы core_size_i и core_addr_i[1:0]. core_size_i сообщит конкретный тип инструкции (сколько нужно взять байт из считанного слова), а core_addr_i[1:0] укажет номер начального байта, который нужно взять из mem_rd_i.

В случае инструкции LH будет все тоже самое, только знакорасширяться будет не байт, а полуслово.

А для инструкций LBU и LHU будет все тоже самое, только результат будет не знакорасширен, а дополнен нулями.

Для инструкций LW на выход core_rd_o пойдут данные mem_rd_i без изменений.

core_stall_o

Сигнал core_stall_o запрещает менять значение программного счетчика на время обращения в память. Этот сигнал должен:

  • стать равным единице в тот же такт, когда пришел сигнал core_req_i
  • удерживать это значение до тех пор, пока не придет сигнал mem_ready_i, но не менее 1 такта (т.е. даже если сигнал mem_ready_i будет равен единице, core_req_i должен подняться хотя бы на 1 такт).

Для реализации подобного функционала вам потребуется вспомогательный регистр stall_reg, каждый такт записывающий значение выхода core_stall_o и следующая таблица истинности для этого выхода:

../../.pic/Labs/lab_08_lsu/fig_02.png

Рисунок 2. Таблица истинности выхода core_stall_o


Задание

Реализовать блок загрузки и сохранения со следующим прототипом:

module riscv_lsu(
  input logic clk_i,
  input logic rst_i,

  // Интерфейс с ядром
  input  logic        core_req_i,
  input  logic        core_we_i,
  input  logic [ 2:0] core_size_i,
  input  logic [31:0] core_addr_i,
  input  logic [31:0] core_wd_i,
  output logic [31:0] core_rd_o,
  output logic        core_stall_o,

  // Интерфейс с памятью
  output logic        mem_req_o,
  output logic        mem_we_o,
  output logic [ 3:0] mem_be_o,
  output logic [31:0] mem_addr_o,
  output logic [31:0] mem_wd_o,
  input  logic [31:0] mem_rd_i,
  input  logic        mem_ready_i
);

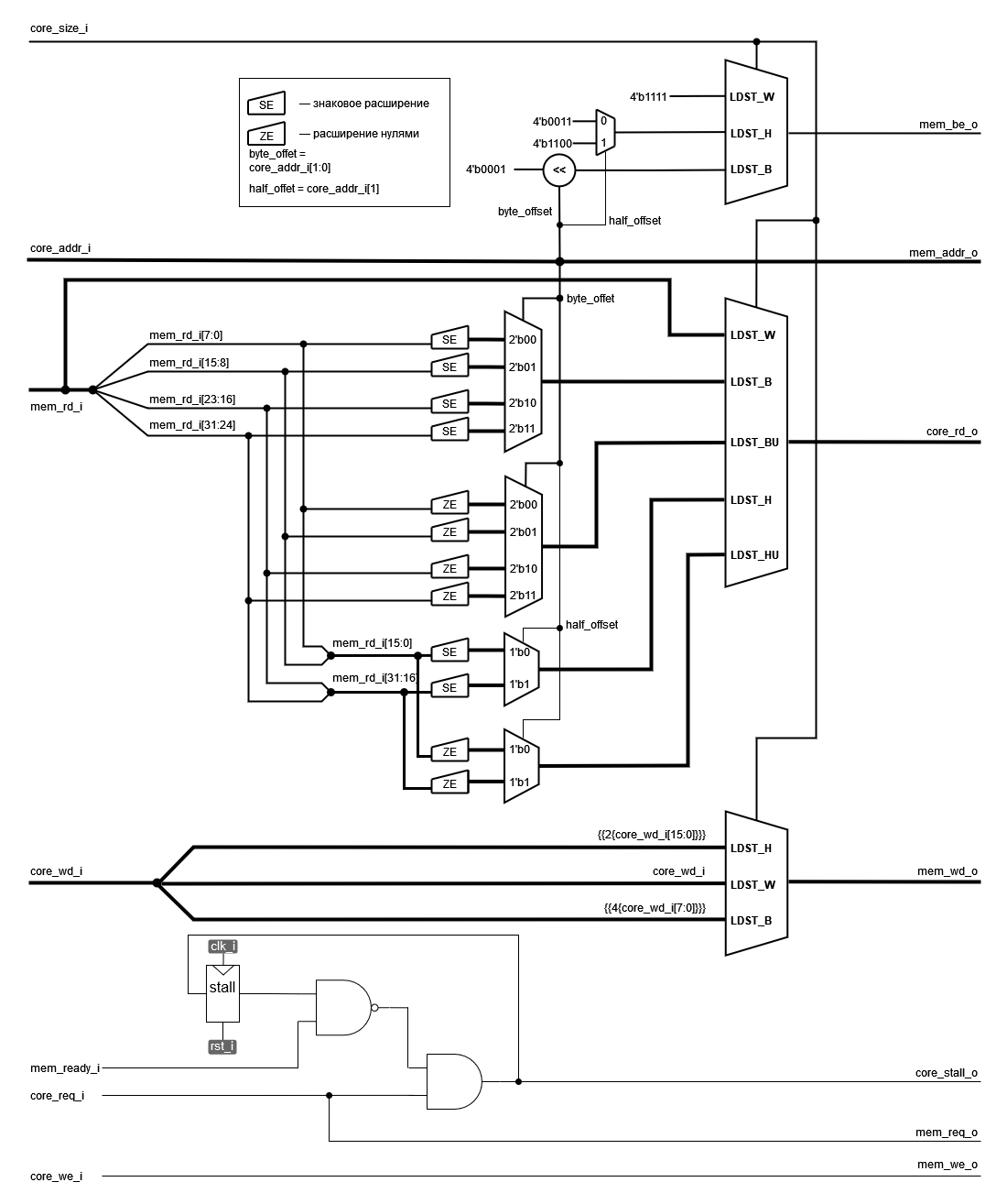
../../.pic/Labs/lab_08_lsu/fig_03.drawio.png

Рисунок 3. Структурная схема модуля riscv_lsu


Порядок выполнения задания

  1. Внимательно ознакомьтесь с описанием функционального поведения выходов LSU. В случае возникновения вопросов, проконсультируйтесь с преподавателем.
  2. Реализуйте модуль riscv_lsu. Для этого:
    1. В Design Sources проекта с предыдущих лаб, создайте SystemSystemVerilog-файл riscv_lsu.sv.
    2. Опишите в нем модуль riscv_lsu с таким же именем и портами, как указано в задании.
      1. При описании обратите внимание на то, что большая часть модуля является чисто комбинационной. В этом плане реализация модуля будет частично похожа на реализацию декодера.
      2. Однако помимо комбинационной части, в модуле будет присутствовать и один регистр.
  3. После описания модуля, его необходимо проверить с помощью тестового окружения.
    1. Тестовое окружение находится здесь.
    2. Для запуска симуляции воспользуйтесь этой инструкцией.
    3. Перед запуском симуляции убедитесь, что в качестве top-level модуля выбран корректный (tb_lsu).
    4. Во время симуляции, вы должны прожать "Run All" и убедиться, что в логе есть сообщение о завершении теста!