This website requires JavaScript.
Explore
Help
Sign In
MPSU
/
APS
Watch
1
Star
0
Fork
0
You've already forked APS
mirror of
https://github.com/MPSU/APS.git
synced
2025-11-20 15:00:39 +00:00
Code
Issues
Packages
Projects
Releases
Wiki
Activity
Files
40911947d622ac080758dc41977bdf09e08a670d
APS
/
.pic
/
Introduction
/
How FPGA works
/
fig_19.jpg
Andrei Solodovnikov
f5ee6df349
Дополнение введения (
#88
)
...
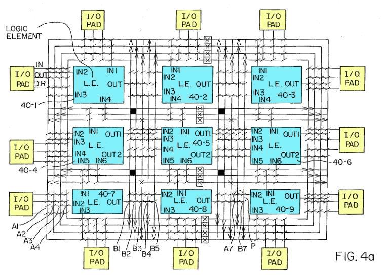
Рассказано о создании ячейки программируемой памяти и сети межсоединений.
2024-06-26 11:27:57 +03:00
98 KiB
752x548px
Raw
History