Files
APS/Labs/02. Arithmetic-logic unit

Lab 2. Arithmetic Logic Unit

Since the primary purpose of a processor is to process digital data, one of its core components is the arithmetic logic unit (ALU). The ALU performs arithmetic and bitwise logical operations on input data.

Goal

Using multiplexer description skills, describe an arithmetic logic unit (ALU) module in SystemVerilog.

Preparation Materials

In addition to the materials covered in the previous lab, you are encouraged to review:

General Workflow

  1. Study the structure and operating principle of an ALU (see #theory)
  2. Study the SystemVerilog language constructs for implementing an ALU (see #tools)
  3. Read the assignment carefully (see #assignment)
  4. Describe the ALU module and verify it using the provided verification environment.
  5. Test the ALU on the FPGA.

Theory

An arithmetic logic unit (ALU) is a processor block that performs arithmetic and bitwise logical operations. The difference between arithmetic and logical operations is that logical operations have no carry bit — logical operations are performed between 1-bit numbers and produce a 1-bit result, whereas in the ALU (within the scope of this lab) they operate simultaneously on 32 pairs of 1-bit numbers. In logical operations, the result of individual bits are entirely independent of one another.

In addition to the operation result, the ALU can generate special flag signals that indicate whether a given condition holds. For example, it can output 1 if one operand is less than another, or if an addition resulted in overflow.

An ALU is typically a combinational circuit (i.e., it has no memory elements). Its inputs receive data (operands) and control (operation code) signals, and its output produces the result of the specified operation. An ALU can also be implemented as sequential logic, but this is the exception rather than the rule.

../../.pic/Labs/lab_02_alu/fig_01.drawio.svg

Figure 1. Block diagram symbol of an ALU [1, p. 247].

Fig. 1 shows the ALU block diagram symbol used in the book "Digital Design and Computer Architecture: RISC-V Edition" by Harris & Harris. Inputs A and B receive N-bit operands. The 2-bit ALUControl input carries the operation code. For example, supplying 10 causes output Y to produce the bitwise AND of operands A and B. Supplying 00 produces the addition result. This is just an example — the bit widths and codes may vary depending on the number of operations and the architecture.

There are several approaches to implementing an ALU, differing in their internal organization. In these labs we use the widely adopted operation-multiplexing approach: multiple functional units (each performing a specific operation such as addition, bitwise OR, etc.) are connected to a multiplexer, which forwards the result of the selected unit to the ALU outputs.

Let us examine this approach using the same ALU from the Harris & Harris book. In Fig. 2, the left side shows the internal organization of this ALU; the right side shows the operation code table. At the output of the circuit (bottom) is a 4-input multiplexer controlled by the 2-bit ALUControl signal. The multiplexer inputs are connected to the outputs of N AND gates (bitwise AND of N-bit operands), N OR gates, and the output of an N-bit adder — connected twice, allowing the adder result to be selected for two different operation codes.

../../.pic/Labs/lab_02_alu/fig_02.drawio.svg

Figure 2. ALU block diagram [1, p. 247].

Input A connects directly to the inputs of all functional units. Input B does as well — except for the adder connection. The second operand input of the adder receives the result of multiplexing B and ~B. The control signal for this multiplexer is the least significant bit of ALUControl. Furthermore, that same least significant bit (LSB) is supplied to the adder as its carry-in. This means that when ALUControl[0] = 0, the sum A + B + 0 is computed, and when ALUControl[0] = 1, the sum A + ~B + 1 is computed — which (due to the properties of two's complement) is equivalent to A B.

The advantage of this ALU organization is its ease of modification, flexibility in assigning operation codes, code readability, and scalability. Operations can easily be added or removed. Consider how you would update this circuit if you needed to extend its functionality with XOR (exclusive OR) and SGE (greater-than-or-equal) operations.

Tools

As mentioned above, an ALU can be implemented by multiplexing the results of several functional units.

When describing each combination of the control signal, you can directly assign the required logical expression to the multiplexer output (for example, the result of a bitwise OR can be expressed directly as a | b, though some cases require more complex expressions due to implementation specifics discussed in the assignment).

Parameters

Parameters are very useful in practice. They add flexibility to a module by replacing "magic" constants in module descriptions with meaningful symbolic names. Parameters are loosely similar to #define macros in C, but they are not the same thing. Defines are special text macros that are automatically substituted at the preprocessor stage (as if you had manually replaced every occurrence in your source files). For example, defines can expand into entire code fragments, not just single values. Defines also have global scope (once declared, the macro is available throughout all subsequent code). A parameter, by contrast, can only hold a value of a specific type (you cannot store a code fragment in a parameter), and its scope is limited to the module in which it is declared.

Suppose your device must turn on a toaster when it receives the signal 32'haf3c5bd0. A reader unfamiliar with the design would be puzzled by that number. However, hiding it behind a parameter named TOASTER_EN immediately communicates that it is the toaster enable code. Furthermore, if the same constant is used in multiple places, defining it as a parameter means you only need to change it in one location for the change to propagate everywhere.

Parameters can also influence the structure of a module. For example, when describing an adder, you can parameterize its bit width and use that parameter throughout the module description (e.g., as the range of a module array). This lets you instantiate adders of different widths simply by supplying a different parameter value at instantiation time.

A parameter can be declared in a module in two ways:

  • in the module prototype;
  • in the module body.

In the first case, a # symbol is placed after the module name, followed by the keyword parameter in parentheses. Next comes the parameter type (default is a signed 32-bit integer), then the name, and optionally a default value.

Example:

module overflow #(parameter WIDTH = 32)(
  input  logic [WIDTH-1 : 0]  a, b,
  output logic                overflow
);

  logic [WIDTH : 0] sum;

  assign sum = a + b;
  assign overflow = sum[WIDTH];

endmodule

Listing 1. Example of declaring a parameter in the module prototype.

If the parameter does not affect port widths, it can be declared in the module body:

module toaster(
  input  logic [31:0] command,
  output logic        power
)

  parameter TOASTER_EN = 32'haf3c5bd0;
  assign power = command == TOASTER_EN;

endmodule

Listing 2. Example of declaring a parameter in the module body.

For the ALU, it is convenient to use parameters to denote operation codes. First, this avoids errors in the case statement; second, it makes it easy to change control codes when reusing the ALU in other projects.

Compare listings 3 and 4 yourself:

//parameter ADD = 5'b00000;
//parameter SUB = 5'b01000;

//...

always_comb
  case(ALUOp)
  //...
  5'b00011: //...   // completely unclear
  5'b11000: //...   // unacceptable

Listing 3. Example of a module description using "magic" numbers.

parameter ADD = 5'b00000;
parameter SUB = 5'b01000;

//...

always_comb
  case(ALUOp)
  //...
  ADD: //...   // very clear
  SUB: //...   // concise and clean

Listing 4. Example of a module description using parameters.

Using parameters looks far more professional, serious, and readable. As a side note: in SystemVerilog you can group parameters into a package and then import it into a module, allowing you to reuse parameters without redeclaring them in each module.

This is done as follows.

First, create a SystemVerilog file that contains the package (for example, the file might contain):

package riscv_params_pkg;
  parameter ISA_WIDTH   = 32;
  parameter ANOTHER_EX  = 15;
endpackage

Then, inside the module that needs parameters from this package, import them. You can import each parameter individually or import all of them at once:

module riscv_processor
//import riscv_params_pkg::*;
import riscv_params_pkg::ISA_WIDTH;   // If you need to import
(
  //...Ports
);

import riscv_params_pkg::ANOTHER_EX;  // all parameters in the package, these two lines
                                      // can be replaced by the commented-out line above:

endmodule

Bit Shifts

The ALU implemented in this lab uses bit shift operations. A bit shift is an operation in which all bits of a number are moved by a specified number of positions. Shifting a number by N bits is equivalent to performing N single-bit shifts. RISC-V uses two types of shifts: logical and arithmetic.

In a logical shift, bits are moved left or right and the vacated positions are filled with zeros. Bits that are shifted beyond the bit-width of the number are discarded. For example, a logical left shift of the binary number 10011010 by one bit yields 00110100. Note that the leading one was pushed out and lost.

../../.pic/Labs/lab_02_alu/fig_03.drawio.svg

Figure 3. Illustration of a binary number transformation under a logical shift.

In an arithmetic shift, vacated bit positions are filled in a way that preserves the sign of the number. In two's complement, the sign is determined by the most significant bit, therefore:

  • in an arithmetic right shift, vacated positions are filled with the value of the original MSB. This preserves the sign. For example, an arithmetic right shift by two bits of 10011010 yields 11100110;
  • an arithmetic left shift is equivalent to a logical left shift, since filling the lower bits with zeros does not affect the sign of the number.

../../.pic/Labs/lab_02_alu/fig_04.drawio.svg

Figure 4. Illustration of a binary number transformation under an arithmetic shift.

Bit shifts have an important arithmetic meaning — they correspond to multiplication or division of a number by a power of two:

  • a left shift by N bits is equivalent to multiplication by 2N,
  • a right shift by N bits is equivalent to integer division by 2N.

You may be familiar with this principle from the decimal system: multiplying a number by 10 simply appends a zero on the right. The same applies to division: dropping the last digit of 42 gives 4, which is integer division by 10. In binary, appending (or removing) a zero on the right is equivalent to multiplying (or dividing) by 2.

Arithmetic shift is important because it preserves this property for signed numbers represented in two's complement. A logical right shift changes both the sign and the magnitude of a negative number in two's complement, so it cannot be used for dividing signed numbers.

Multiplication and division are very "expensive" operations both in terms of circuit area (when implemented in hardware) and computation time. As a result, using shifts as a substitute for multiplication is widespread. For example, writing var * 8 in C++ code will almost certainly be compiled to a left shift by 3.

Another application of shifts is setting and clearing bits in control registers. Since processors typically cannot access individual bits of wide registers — their values are read and written as a whole — bit manipulation is achieved using shifts:

X =  X |  (1 << N);       // Set the N-th bit
X =  X & ~(1 << N);       // Clear the N-th bit
Y = (X &  (1 << N)) != 0; // Read the N-th bit

Shift Implementation Notes

Important

According to the RISC-V specification, ALL shift operations use only the 5 least significant bits of operand B [2, pp. 2627].

Consider why: shifting a 32-bit number by more than 31 positions makes no sense — the result is simply all zeros (or all ones). That is, shifting by any value greater than 31 always produces the same result. Encoding 31 requires at least 5 bits, hence this requirement. It is mandatory: the upper bits will be used for other purposes later, and ignoring this will cause your future processor to behave incorrectly.

Assignment

Implement an ALU in SystemVerilog according to the following prototype:


module alu (
  input  logic [31:0]  a_i,
  input  logic [31:0]  b_i,
  input  logic [4:0]   alu_op_i,
  output logic         flag_o,
  output logic [31:0]  result_o
);

  import alu_opcodes_pkg::*;    // import of parameters containing
                                // operation codes for the ALU

endmodule

The standard integer instruction set of RISC-V requires 16 distinct operations. While 4 bits would suffice to encode 16 operations, this lab uses a 5-bit code, which is related to the instruction encoding scheme. The MSB of the operation code indicates whether the operation is a computational operation or a comparison.

For readability, the instruction list is split into two tables.

The first table lists the operations that compute the value of the result_o signal. If the ALU receives any operation code not listed in this table, the result_o signal must be zero.

Operation ={cmp, mod, opcode} Expression Action
ADD 0 0 000 result_o = a_i + b_i Addition
SUB 0 1 000 result_o = a_i b_i Subtraction
SLL 0 0 001 result_o = a_i << b_i Left shift
SLTS 0 0 010 result_o = a_i < b_i Signed comparison
SLTU 0 0 011 result_o = a_i < b_i Unsigned comparison
XOR 0 0 100 result_o = a_i ^ b_i Bitwise exclusive OR
SRL 0 0 101 result_o = a_i >> b_i Right shift
SRA 0 1 101 result_o = a_i >>> b_i Arithmetic right shift (a_i operand is signed)
OR 0 0 110 result_o = a_i | b_i Bitwise logical OR
AND 0 0 111 result_o = a_i & b_i Bitwise logical AND

Table 1. List of computational operations.

The second table lists the operations that compute the value of the flag_o signal. If the ALU receives any operation code not listed in this table, the flag_o signal must be zero.

Operation ={cmp, mod, opcode} Expression Action
EQ 1 1 000 flag_o = (a_i == b_i) Set flag if operands are equal
NE 1 1 001 flag_o = (a_i != b_i) Set flag if operands are unequal
LTS 1 1 100 flag_o = a_i < b_i Signed comparison <
GES 1 1 101 flag_o = a_i ≥ b_i Signed comparison
LTU 1 1 110 flag_o = a_i < b_i Unsigned comparison <
GEU 1 1 111 flag_o = a_i ≥ b_i Unsigned comparison

Table 2. List of comparison operations.

The expressions in these two tables are provided as examples. Not all of them can simply be transcribed — some must be supplemented. To prevent copy-pasting, the expressions contain unsupported characters.

Despite the separation into computational operations and comparison operations, Table 1 (computational operations) includes two operations — SLTS and SLTU — that perform comparisons. This gives us two similar pairs of instructions:

  • LTS
  • LTU
  • SLTS
  • SLTU

The first pair computes a "branch" result. The operation result is placed on the flag_o output and used directly for branching.

The second pair is used to obtain a "computational" result. That is, the comparison result is placed on the result_o output in the same way as the result of the ADD operation, and is used in further computations — avoiding a conditional branch.

For example, suppose we need to iterate over an array of one million elements and check that all of them are non-negative. This is tracked by the variable num_of_err, whose value should equal the count of elements less than zero. The variable can be computed in two ways:

  1. In each loop iteration, perform a branch: in one case increment the variable, in the other do not (use the "branch" operation LTS for branching).
  2. In each loop iteration, add the result of the "computational" operation SLTS to the current value of the variable.

Branch operations have a strong (negative) impact on the performance of a pipelined processor. In the first case we get one million branch operations; in the second — none! Of course, num_of_err will likely be compared to zero at some point, causing a branch, but during the computation of that variable's value the branch can be avoided entirely.

The difference between SLTS and SLTU (or LTS and LTU) lies in how we interpret the operands: as signed numbers (operations SLTS and LTS) or as unsigned (operations SLTU and LTU).

Suppose we compare two binary numbers: 1011 and 0100. Interpreted as unsigned, these are 11 and 4, giving 11 > 4. Interpreted as signed, they are -5 and 4, giving -5 < 4.

As we can see, the result of the same operation on the same binary numbers can depend on how those numbers are interpreted. For most ALU operations this does not matter — for example, addition works identically in both cases due to the properties of two's complement, and bitwise operations work on individual bits. However, for arithmetic right shift it does matter — the operand A in an arithmetic shift must be interpreted as signed.

By default, SystemVerilog interprets all signals as unsigned. To change this behavior, use the $signed construct.

The $signed construct tells the synthesis tool to interpret the value passed as an operand as a signed number.

assign Result = $signed(A) / 10;

In this example, signal Result is assigned the result of dividing the signed number A by 10.

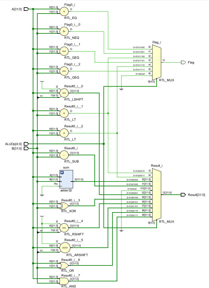
Since not all possible combinations of the ALU control signal are used, when describing the logic with case, do not forget to include a default branch. If the ALU is described as intended, the result will look something like Fig. 5 — though it may differ depending on your description.

../../.pic/Labs/lab_02_alu/fig_05.png

Figure 5. Example circuit implementing the ALU.

Note that the adder in Fig. 5 differs from all other blocks. To make the 32-bit adder designed in Lab 1 worthwhile, and to reinforce module instantiation skills, you are expected to use it when implementing the ALU.

The other blocks are recognized by Vivado from the arithmetic or logical expressions in the ALU description and will be synthesized using the FPGA primitives that best satisfy the project's timing and physical constraints (see "FPGA Design Flow"). The adder, however, will be implemented exactly as described, because instead of using the abstract + operator, the ALU description instantiates a specific module implementing a specific circuit. This adder implementation is not efficient — neither in terms of timing characteristics nor in terms of FPGA resource utilization. But as mentioned in Lab 1, the goal of this implementation is to illustrate the simplicity of the design reasoning behind the adder.

Assignment Steps

  1. Add the file alu_opcodes_pkg.sv to the project's Design Sources. This file contains the declaration of the alu_opcodes_pkg package, which defines all ALU operation codes.
    1. Since this file contains no module declarations, it will not appear in the Hierarchy tab of the Vivado Sources window (the exception is when the project contains no modules at all). The added file can be found in the Libraries and Compile Order tabs.
    2. Note that the ALU operation code parameter names declared in the added package have the prefix ALU_, which was not present in Tables 1 and 2.
    3. If you have added the package to the project and imported it in the ALU module but Vivado reports an error saying the used parameters are undeclared, first try fixing all other syntax errors and saving the file. If that does not help, go to the Compile Order tab, right-click on alu_opcodes_pkg.sv, and select Move to Top. This tells Vivado to always compile this file first. This is a last-resort option and should only be used as a final measure. When the project has no issues, Vivado is always able to determine the correct compilation order on its own. The fact that you need to change this order indicates there are problems in the project preventing Vivado from determining the correct order automatically.
  2. Describe the alu module with the same name and ports as specified in the assignment.
    1. Since you have two output signals that depend on alu_op_i, you will need to describe two separate multiplexers (best described using two separate case blocks). Use default to cover the remaining combinations of alu_op_i.
    2. Pay attention to the bit widths of your signals.
    3. When implementing the ALU, follow the operations table rather than the reference schematic at the end of the assignment. Note that in one half of the operations flag_o must be zero, and in the other half result_o must be zero (i.e., at all times, one or the other signal must be zero). This is why it is most convenient to describe the ALU using two separate case blocks.
    4. You do not need to copy operation codes from the table as case values. Instead, use the symbolic names from the parameters imported from the alu_opcodes_pkg package.
    5. When describing the addition operation, you must use your 32-bit adder from Lab 1. For subtraction, you do not need to use the adder — you may use the - operator.
      1. When connecting the adder, supply 1'b0 to the carry-in input. If the carry-in is left undriven, the sum result will be undefined (since one of the addends is undefined).
      2. The carry-out can be left unconnected, as it will not be used.
    6. When implementing shift operations, follow the shift implementation notes.
  3. Verify the module using the verification environment provided in the file lab_02.tb_alu.sv. If error messages appear in the TCL console, find and fix them.
    1. Before running the simulation, make sure the correct top-level module is selected in Simulation Sources.
  4. Verify that your digital circuit works correctly on the FPGA.

References

  1. D.M. Harris, S.L. Harris / Digital Design and Computer Architecture. RISC-V Edition, 2021;
  2. The RISC-V Instruction Set Manual Volume I: Unprivileged ISA, Document Version 20240411, Editors Andrew Waterman and Krste Asanović, RISC-V Foundation, April 2024.