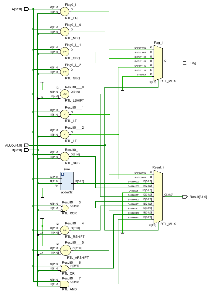
# Лабораторная работа №2. Арифметико-логическое устройство Так как основной задачей процессора является обработка цифровых данных, одним из его основных блоков является арифметико-логическое устройство (АЛУ). Задача АЛУ производить над входными данным арифметические и поразрядно логические операции. ## Цель Используя навыки по описанию мультиплексоров, описать блок арифметико-логического устройства (АЛУ) на языке SystemVerilog. ## Материалы для подготовки к лабораторной работе В дополнение к [материалам](../../Basic%20Verilog%20structures/), изученным в ходе предыдущей лабораторной работы, вам рекомендуется ознакомиться с: - способами описания [мультиплексора](../../Basic%20Verilog%20structures/Multiplexors.md) на языке SystemVerilog. ## Общий ход выполнения работы 1. Изучить устройство и принцип работы АЛУ (раздел [#теория](#теория)) 2. Изучить языковые конструкции SystemVerilog для реализации АЛУ (раздел [#инструменты](#инструменты)) 3. Внимательно ознакомиться с заданием (раздел [#задание](#задание)) 4. Описать модуль АЛУ, проверить его предоставленным верификационным окружением. 5. Проверить работу АЛУ в ПЛИС. ## Теория **Арифметико-логическое устройство** (**АЛУ**, Arithmetic Logic Unit – ALU) – это блок процессора, выполняющий арифметические и поразрядно логические операции. Разница между арифметическими и логическими операциями в отсутствии у последних бита переноса, так как логические операции происходят между 1-битными числами и дают 1-битный результат, а в случае АЛУ (в рамках данной лабораторной работы) одновременно между 32-мя 1-битными парами чисел. В логических операциях результаты значений отдельных битов друг с другом никак не связаны. Также, кроме результата операций, АЛУ может формировать специальные сигналы-флаги, которые показывают выполняется ли заданное условие. Например, выводить `1`, если один операнд меньше другого, или если в результате суммы произошло переполнение. Обычно АЛУ представляет собой комбинационную схему (то есть не имеет элементов памяти), на входы которой поступают информационные (операнды) и управляющие (код операции) сигналы, в ответ на что на выходе появляется результат заданной операции. АЛУ может быть реализовано и в виде последовательностной логики, но это скорее исключение. ![../../.pic/Labs/lab_02_alu/fig_01.drawio.svg](../../.pic/Labs/lab_02_alu/fig_01.drawio.svg) _Рисунок 1. Структурное обозначение элемента АЛУ[[1, стр. 304]](https://reader.lanbook.com/book/241166?lms=1b8d65a957786d4b32b8201bd30e97f3)._ На рис. 1 изображено структурное обозначение АЛУ, используемое в книге "Цифровая схемотехника и архитектура компьютера RISC-V" Харрис и Харрис. На входы `A` и `B` поступают операнды с разрядностью _N_. На 2-битный вход `ALUControl` подается код операции. Например, если туда подать `10`, то на выходе `Y` появится результат операции _логическое И_ между битами операндов `A` и `B`. Если же подать `00`, то на выходе появится результат сложения. Это лишь пример, разрядность и коды могут отличаться в зависимости от количества выполняемых операций и архитектуры. Существует несколько подходов к реализации АЛУ, отличающиеся внутренней организацией. В лабораторных работах применяется повсеместно используемый подход мультиплексирования операций, то есть подключения нескольких операционных устройств (которые выполняют какие-то операции, например сложения, логического ИЛИ и т.п.) к мультиплексору, который будет передавать результат нужного операционного устройства на выходы АЛУ. Рассмотрим данный подход на примере всё того же АЛУ из книги Харрисов. На рис. 2, в левой его части, изображена внутренняя организация этого АЛУ, справа – таблица соответствия кодов операциям. На выходе схемы (внизу) стоит 4-входовой мультиплексор, управляемый 2-битным сигналом `ALUControl`. Ко входам мультиплексора подключены выходы `N` логических И (побитовое И N-битных операндов), `N` логических ИЛИ, а выход N-битного сумматора подключён дважды, позволяя выбирать его результат для двух кодов операции. ![../../.pic/Labs/lab_02_alu/fig_02.drawio.svg](../../.pic/Labs/lab_02_alu/fig_02.drawio.svg) _Рисунок 2. Структурная схема АЛУ [[1, стр. 305]](https://reader.lanbook.com/book/241166?lms=1b8d65a957786d4b32b8201bd30e97f3)._ Вход `A` подключается напрямую ко входам этих операционных устройств. Вход `B` тоже — за исключением подключения к сумматору. На вход второго операнда сумматора подаётся результат мультиплексирования сигналов `B` и `~B`. Управляющим сигналом этого мультиплексора является младший бит управляющего сигнала `ALUControl`. Кроме того, этот же младший бит подаётся и на сумматор в качестве входного бита переноса. Это означает, что когда `ALUControl[0] = 0`, вычисляется сумма `A + B + 0`, а когда `ALUControl[0] = 1`, вычисляется сумма `A + ~B + 1`, что (с учётом [дополнительного кода](https://ru.wikipedia.org/wiki/Дополнительный_код) ) эквивалентно `A – B`. Преимущество такой организации АЛУ в простоте его модификации, настройке под нужные коды операций, читаемости кода и масштабируемости. Можно легко добавить или убрать требуемые операции. Подумайте, как бы вы обновили данную схему, если бы от вас потребовалось расширить её функционал операциями XOR (Исключающее ИЛИ) и (SGE операция "больше либо равно")? ## Инструменты Как было сказано выше, АЛУ можно реализовать, [мультиплексируя](../../Basic%20Verilog%20structures/Multiplexors.md) результаты нескольких операционных устройств. При описании очередной комбинации управляющего сигнала, выходу мультиплексора можно сразу присваивать необходимое логическое выражение (например результат побитового ИЛИ можно подать на выход сразу в виде выражения: `a | b`, однако в некоторых случаях выражения будут сложнее из-за различных особенностей реализации, о которых будет рассказано в задании). ### Параметры Очень удобным на практике оказывается использование параметров. Параметры добавляют модулю гибкости, позволяя убрать ["магические"](https://ru.wikipedia.org/wiki/Магическое_число_(программирование)#Плохая_практика_программирования) константы из описания модулей, подставляя вместо них выразительное символьное имя. Параметры отдаленно схожи с макросами `#define` в языке Си, однако стоит понимать, что это не одно и то же. Дефайны представляют собой специальные текстовые макросы, которые автоматически заменяются на этапе препроцессора (как если бы вы прошлись по всем файлам своего кода и вручную заменили бы макросы на их значения). Например, с помощью дефайнов можно писать целые куски кода, а не просто одно какое-то число. При этом у дефайнов глобальная область видимости (объявив их в одном месте, этот макрос будет доступен во всем последующем коде). Параметр в свою очередь может хранить только значение какого-то конкретного типа (т.е. в параметр нельзя поместить фрагмент кода) а область видимости параметра ограничена тем модулем, где он был объявлен. Допустим, ваше устройство должно включить тостер, если на вход ему придет сигнал `32'haf3c5bd0`. Человек, не знакомый с устройством, при прочтении этого кода будет недоумевать, что это за число и почему используется именно оно. Однако, скрыв его за параметром `TOASTER_EN`, читающий поймет, что это код включения тостера. Кроме того, если некоторая константа должна использоваться в нескольких местах кода, то определив её в виде параметра, можно будет менять её в одном месте, и она тут же поменяется везде. Параметры позволяют влиять на структуру модуля. К примеру, описывая сумматор, можно параметризовать его разрядность и использовать этот параметр при описании модуля (например, в качестве диапазона массива модулей). В этом случае вы сможете создавать множество сумматоров различных разрядностей, подставляя при создании нужное вам значение параметра. Параметр может быть объявлен в модуле двумя способами: - в прототипе модуля; - в теле описания модуля. В первом случае после имени модуля ставится символ `#`, затем в круглых скобках указывается ключевое слово `parameter`. Далее идет тип параметра (по умолчанию — знаковое 32-битное число), после чего задаются его имя и, при необходимости, значение по умолчанию. Пример: ```Verilog module overflow #(parameter WIDTH = 32)( input logic [WIDTH-1 : 0] a, b, output logic overflow ); logic [WIDTH : 0] sum; assign sum = a + b; assign overflow = sum[WIDTH]; endmodule ``` _Листинг 1. Пример описания параметра в прототипе модуля._ В случае, если параметр не влияет на разрядность портов, его можно объявить в теле модуля: ```Verilog module toaster( input logic [31:0] command, output logic power ) parameter TOASTER_EN = 32'haf3c5bd0; assign power = command == TOASTER_EN; endmodule ``` _Листинг 2. Пример описания параметра в теле модуля._ В случае АЛУ будет удобно использовать параметры для обозначения кодов команд. Во-первых, для того чтобы в `case` не допустить ошибок, а во-вторых – чтобы можно было легко менять управляющие коды для повторного использования АЛУ в других проектах. Сравните сами _листинги 3 и 4_: ```Verilog //parameter ADD = 5'b00000; //parameter SUB = 5'b01000; //... always_comb case(ALUOp) //... 5'b00011: //... // вообще же ничего не понятно 5'b11000: //... // никуда не годится ``` _Листинг 3. Пример описания модуля, использующего "магические" числа._ ```Verilog parameter ADD = 5'b00000; parameter SUB = 5'b01000; //... always_comb case(ALUOp) //... ADD: //... // очень понятно SUB: //... // так лаконично и красиво ``` _Листинг 4. Пример описания модуля, использующего параметры._ С параметрами смотрится гораздо взрослее, серьёзнее и понятнее. Кстати, сразу на заметку: в SystemVerilog можно объединять группу параметров в **пакет** (package), а затем импортировать его внутрь модуля, позволяя переиспользовать параметры без повторного их прописывания для других модулей. Делается это следующим образом. Сперва создается SystemVerilog-файл, который будет содержать пакет (к примеру, содержимое файла может быть таким): ```Verilog package riscv_params_pkg; parameter ISA_WIDTH = 32; parameter ANOTHER_EX = 15; endpackage ``` Далее, внутри модуля, которому нужны параметры из этого пакета, необходимо сделать соответствующий импорт этих параметров. Это можно сделать либо для каждого параметра отдельно, либо импортировать все параметры сразу: ```Verilog module riscv_processor //import riscv_params_pkg::*; import riscv_params_pkg::ISA_WIDTH; // Если необходимо импортировать ( //...Порты ); import riscv_params_pkg::ANOTHER_EX; // все параметры в пакете, эти две строчки // могут быть заменены закомментированной // выше строкой: endmodule ``` ### Битовые сдвиги Реализуемое в данной лабораторной работе АЛУ использует операции битового сдвига. **Битовый сдвиг** — это операция, при которой все биты числа смещаются на заданное количество позиций. Сдвиг числа на _N_ бит эквивалентен _N_ сдвигам на 1 бит. В архитектуре RISC-V используются два типа сдвигов: **логический** и **арифметический**. При **логическом сдвиге** биты сдвигаются влево или вправо, а освободившиеся позиции заполняются нулями. При этом разряды, "вытолкнутые" за пределы разрядной сетки числа, пропадают. Например, если выполнить логический сдвиг двоичного числа _10011010_ на один бит влево, получится _00110100_. Обратите внимание, что старшая единица была вытолкнута за границу и исчезла. ![../../.pic/Labs/lab_02_alu/fig_03.drawio.svg](../../.pic/Labs/lab_02_alu/fig_03.drawio.svg) _Рисунок 3. Иллюстрация преобразования двоичного числа при логическом сдвиге._ При арифметическом сдвиге заполнение освобождённых битов выполняется так, чтобы сохранился знак числа. В дополнительном коде знак определяется старшим битом, поэтому: - при **арифметическом сдвиге вправо** освободившиеся позиции заполняются значением старшего бита исходного числа. Это позволяет сохранить знак. Например, арифметический сдвиг на два бита вправо числа _10011010_ даёт _11100110_; - **арифметический сдвиг влево** эквивалентен логическому, так как заполнение младших битов нулями не влияет на знак числа. ![../../.pic/Labs/lab_02_alu/fig_04.drawio.svg](../../.pic/Labs/lab_02_alu/fig_04.drawio.svg) _Рисунок 4. Иллюстрация преобразования двоичного числа при арифметическом сдвиге._ Битовый сдвиг имеет важный арифметический смысл — он соответствует умножению или делению числа на степень двойки: - сдвиг влево на _N_ бит эквивалентен умножению на _2N_, - сдвиг вправо на _N_ бит эквивалентен целочисленному делению на _2N_. Этот приём знаком должен быть знаком вам при работе с десятичной системой: умножая число на 10, мы просто дописываем справа ноль. То же самое работает и для деления: если отрезать последний разряд у числа 42, получится 4, что соответствует целочисленному делению на 10. В двоичной системе добавление (стирание) нуля справа эквивалентно умножению (делению) на 2. Арифметический сдвиг важен тем, что сохраняет это свойство для знаковых чисел, представленных в дополнительном коде. Логический сдвиг вправо изменяет и знак, и модуль отрицательного числа в дополнительном коде, поэтому не может использоваться для деления знаковых чисел. Операции умножения и деления — это очень «дорогие» операции как с точки зрения элементов схемы (если эти операции реализуются аппаратно), так и с точки зрения времени их вычисления. Поэтому выполнение сдвигов в качестве замены умножения применяется повсеместно. Например, написав в коде языка C++ выражение `var * 8`, после компиляции вы наверняка получите операцию сдвига влево на 3. Ещё одно применение сдвигов: установка и очищение флагов управляющих регистров. Дело в том, что обычно процессоры не имеют доступа к отдельным битам многоразрядных регистров — их значения читаются записываются целиком. Вот как можно реализовать битовые операции с помощью сдвигов: ```C++ X = X | (1 << N); // Установка N-го бита X = X & ~(1 << N); // Очистка N-го бита Y = (X & (1 << N)) != 0; // Чтение N-го бита ``` #### Особенности реализации сдвига > [!IMPORTANT] > По спецификации RISC-V, для **ВСЕХ** операций сдвига используются только 5 младших бит операнда B[2, стр. 26-27]. Сами посмотрите: выполнять операцию сдвига более чем на 31 для 32-битных чисел не имеет смысла, число полностью заполнится нулями (единицами). Т.е. сдвигая на любое число, большее 31, вы получите один и тот же результат. Для того чтобы закодировать 31 требуется минимум 5 бит, отсюда и это требование. Оно обязательно, поскольку старшие биты в дальнейшем будут использоваться по другому назначению и, если вы упустите это, ваш будущий процессор станет работать неправильно. ## Задание Необходимо на языке SystemVerilog реализовать АЛУ в соответствии со следующим прототипом: ```Verilog module alu ( input logic [31:0] a_i, input logic [31:0] b_i, input logic [4:0] alu_op_i, output logic flag_o, output logic [31:0] result_o ); import alu_opcodes_pkg::*; // импорт параметров, содержащих // коды операций для АЛУ endmodule ``` Для стандартного набора целочисленных операций архитектуры RISC-V требуется выполнять 16 различных операций. Для кодирования 16 операций было бы достаточно 4 бит, но в лабораторной работе предлагается использовать 5-битный код, что связано с особенностями кодирования инструкций. Старший бит кода операции указывает на то, является ли операция вычислительной или это операция сравнения. Для удобства чтения, список инструкций разбит на две таблицы. В первой таблице перечислены операции, вычисляющие значение сигнала `result_o`. **При любом коде операции, не входящим в эту таблицу, сигнал `result_o` должен быть равен нулю**. |Операция|={cmp, mod, opcode}|Выражение | Действие | |--------|-------------------|-----------------------|-------------------------------------------------------| | ADD | 0 0 000 |result_o = a_i + b_i | Сложение | | SUB | 0 1 000 |result_o = a_i – b_i | Вычитание | | SLL | 0 0 001 |result_o = a_i << b_i | Сдвиг влево | | SLTS | 0 0 010 |result_o = a_i < b_i | **Знаковое** сравнение | | SLTU | 0 0 011 |result_o = a_i < b_i | **Беззнаковое** сравнение | | XOR | 0 0 100 |result_o = a_i ^ b_i | Побитовое исключающее **ИЛИ** | | SRL | 0 0 101 |result_o = a_i >> b_i | Сдвиг вправо | | SRA | 0 1 101 |result_o = a_i >>> b_i | Арифметический сдвиг вправо (операнд `a_i` — знаковый)| | OR | 0 0 110 |result_o = a_i \| b_i | Побитовое логическое **ИЛИ** | | AND | 0 0 111 |result_o = a_i & b_i | Побитовое логическое **И** | _Таблица 1. Список вычислительных операций._ Во второй таблице перечислены операции, вычисляющие значение сигнала `flag_o`. **При любом коде операции, не входящим в эту таблицу, сигнал flag_o должен быть равен нулю**. |Операция|={cmp, mod, opcode}| Выражение | Действие | |--------|-------------------|----------------------|-----------------------------------| | EQ | 1 1 000 | flag_o = (a_i == b_i)| Выставить флаг, если **равны** | | NE | 1 1 001 | flag_o = (a_i != b_i)| Выставить флаг, если **не равны** | | LTS | 1 1 100 | flag_o = a_i < b_i | **Знаковое** сравнение **<** | | GES | 1 1 101 | flag_o = a_i ≥ b_i | **Знаковое** сравнение **≥** | | LTU | 1 1 110 | flag_o = a_i < b_i | **Беззнаковое** сравнение **<** | | GEU | 1 1 111 | flag_o = a_i ≥ b_i | **Беззнаковое** сравнение **≥** | _Таблица 2. Список операций сравнения._ **Выражения в этих двух таблицах приведены для примера. Не все из них можно просто переписать — часть этих выражений надо дополнить. Чтобы вы не копировали выражения, в них вставлены неподдерживаемые символы.** Несмотря на разделение на вычислительные операции, и операции сравнения, в _Таблице 1_ (вычислительных операция) оказалось две операции `SLTS` и `SLTU`, которые выполняют сравнения. В итоге у нас есть две похожие пары инструкций: - `LTS` - `LTU` - `SLTS` - `SLTU` Первая пара инструкций вычисляет "ветвительный" результат. Результат операции будет подан на выходной сигнал `flag_o` и использован непосредственно при ветвлении. Вторые две инструкции используются для получения "вычислительного" результата. Т.е. результат сравнения будет подан на выходной сигнал `result_o` так же, как подается результат операции `ADD`, и будет использован в неких вычислениях, избегая при этом условного перехода. К примеру, нам необходимо пройтись по массиву из миллиона элементов и убедиться, что все они были неотрицательны. Об этом будет сигнализировать переменная `num_of_err`, значение которой должно быть равно числу элементов массива, меньших нуля. Вычислить значение этой переменной можно двумя способами: 1. В каждой итерации цикла сделать ветвление: в одном случае инкрементировать переменную, в другом случае — нет (для ветвления использовать "ветвительную" операцию `LTS`). 2. В каждой итерации цикла складывать текущее значение переменной с результатом "вычислительной" операции `SLTS`. Операции ветвления очень сильно влияют (в худшую сторону) на производительность конвейерного процессора. В первом случае мы получим миллион операций ветвления, во втором — ни одной! Разумеется, потом переменную `num_of_err` скорее всего сравнят с нулем что приведет к ветвлению, но при вычислении значения этой переменной ветвления можно будет избежать. Различие между `SLTS` и `SLTU` (или `LTS` и `LTU`) заключается в том, как мы интерпретируем операнды: как знаковые числа (операции `STLS` и `LTS`) или как беззнаковые (операции `SLTU` и `LTU`). Предположим, мы сравниваем два двоичных числа: `1011` и `0100`. Если интерпретировать эти числа как беззнаковые, то это `11` и `4`, результат: `11 > 4`. Однако если интерпретировать эти числа как знаковые, то теперь это числа `-5` и `4` и в этом случае `-5 < 4`. Как мы видим, результат одной и той же операции над одними и теми же двоичными числами может зависеть от того, каким образом мы интерпретируем эти двоичные числа. Для большинства операций в АЛУ это не важно: например, сложение будет работать одинаково в обоих случаях, благодаря свойствам дополнительного кода, а побитовые операции работают с отдельными битами двоичного числа. А вот для операции арифметического сдвига это важно — **операнд А в арифметическом сдвиге должен интерпретироваться как знаковый**. По умолчанию SystemVerilog интерпретирует все сигналы как беззнаковые, если мы хотим изменить это поведение, необходимо воспользоваться конструкцией `$signed`. Конструкция `$signed` говорит САПР интерпретировать число, переданное в качестве операнда, как знаковое. ```Verilog assign Result = $signed(A) / 10; ``` В этом примере некоторому сигналу `Result` присваивают результат деления **знакового** числа `A` на `10`. Так как используются не все возможные комбинации управляющего сигнала АЛУ, то **при описании через `case` не забывайте использовать `default`**. Если описать АЛУ как задумано, то получится что-то похожее на _рис. 5_. Но не обязательно, зависит от вашего описания. ![../../.pic/Labs/lab_02_alu/fig_05.png](../../.pic/Labs/lab_02_alu/fig_05.png) _Рисунок 5. Пример схемы, реализующей АЛУ._ Обратите внимание на то, что сумматор на _рис. 5_ отличается от всех остальных блоков. Для того, чтобы спроектированный в ЛР№1 32-разрядный сумматор был создан не зазря, а также для закрепления навыков по созданию экземпляров модулей внутри других модулей, вам предлагается использовать его при реализации АЛУ. Другие блоки распознаны Vivado на основе представленных в описании АЛУ арифметических или логических выражений и в процессе синтеза будут реализованы через те компоненты ПЛИС, которые позволят лучше всего удовлетворить временным и физическим ограничениям проекта (см. главу "Этапы реализации проекта в ПЛИС"). Сумматор же будет реализован так, как это описали мы, поскольку вместо использования абстрактной операции "+" в описании АЛУ было сказано разместить конкретный модуль, реализующий конкретную схему. Такая реализация сумматора не является эффективной ни в плане временных характеристик, ни в плане количества затраченных на реализацию ресурсов ПЛИС. Но как уже упоминалось в ЛР№1, цель этой реализации — воспроизвести простоту логики рассуждений о том, как спроектировать сумматор. ### Порядок выполнения задания 1. Добавьте в `Design Sources` проекта файл [`alu_opcodes_pkg.sv`](alu_opcodes_pkg.sv). Этот файл содержит объявление пакета `alu_opcodes_pkg`, в котором прописаны все опкоды АЛУ. 1. Поскольку данный файл не содержит описания модулей, он не отобразится во вкладке `Hierarchy` окна `Sources` Vivado (исключением может быть ситуация, когда в проекте вообще нет ни одного модуля). Добавленный файл можно будет найти во вкладках `Libraries` и `Compile Order`. 2. Обратите внимание, что имена параметров кодов операций АЛУ, объявленных в добавляемом пакете, имеют префикс `ALU_`, которого не было в _таблицах 1 и 2_. 3. В случае, если вы добавили пакет в проект и импортировали его в модуле АЛУ, однако Vivado выдает ошибку о том, что используемые параметры не объявлены, попробуйте сперва исправить все остальные синтаксические ошибки и сохранить файл. Если и это не помогло, можно перейти на вкладку `Compile Order`, нажать правой кнопкой мыши по файлу `alu_opcodes_pkg.sv` и выбрать `Move to Top`. Таким образом, мы сообщаем Vivado, что при компиляции проекта, этот файл всегда необходимо собирать в первую очередь. Это вариант "последней надежды" и должен использоваться только в самом крайнем случае. Когда в проекте нет никаких проблем, Vivado всегда может самостоятельно определить правильный порядок компиляции файлов. Тот факт, что вам приходится менять этот порядок означает, что в проекте есть какие-то проблемы, не позволяющие Vivado определить правильный порядок самостоятельно. 2. Опишите модуль `alu` с таким же именем и портами, как указано в [задании](#задание). 1. Поскольку у вас два выходных сигнала, зависящих от сигнала `alu_op_i`, вам потребуется описать два разных [мультиплексора](../../Basic%20Verilog%20structures/Multiplexors.md) (их лучше всего описывать через два отдельных блока `case`). При описании, используйте `default` на оставшиеся комбинации сигнала `alu_op_i`. 2. Следите за разрядностью ваших сигналов. 3. Для реализации АЛУ, руководствуйтесь таблицей с операциями, а не схемой в конце задания, которая приведена в качестве референса. Обратите внимание, в одной половине операций `flag_o` должен быть равен нулю, в другой `result_o` (т.е. всегда либо один, либо другой сигнал должен быть равен нулю). Именно поэтому удобней всего будет описывать АЛУ в двух разных блоках `case`. 4. Вам не нужно переписывать опкоды из таблицы в качестве вариантов для блока `case`. Вместо этого используйте символьные имена с помощью параметров, импортированных из пакета `alu_opcodes_pkg`. 5. При операции сложения вы **должны** использовать ваш 32-битный сумматор из первой лабораторной (описывая вычитание сумматор использовать не надо, можно использовать `-`). 1. При подключении сумматора, на входной бит переноса необходимо подать значение `1'b0`. Если не подать значение на входной бит переноса, результат суммы будет не определен (т.к. не определено одно из слагаемых). 2. Выходной бит переноса при подключении сумматора можно не указывать, т.к. он использоваться не будет. 6. При реализации операций сдвига, руководствуйтесь [особенностями реализации сдвигов](#особенности-реализации-сдвига). 3. Проверьте модуль с помощью верификационного окружения, представленного в файле [`lab_02.tb_alu.sv`](lab_02.tb_alu.sv). В случае, если в TCL-консоли появились сообщения об ошибках, вам необходимо [найти](../../Vivado%20Basics/05.%20Bug%20hunting.md) и исправить их. 1. Перед запуском моделирования убедитесь, что у вас выбран корректный модуль верхнего уровня в `Simulation Sources`. 4. [Проверьте](./board%20files) работоспособность вашей цифровой схемы в ПЛИС. ## Список использованной литературы 1. [Д.М. Харрис, С.Л. Харрис / Цифровая схемотехника и архитектура компьютера: RISC-V / пер. с англ. В. С. Яценков, А. Ю. Романов; под. ред. А. Ю. Романова / М.: ДМК Пресс, 2021](https://e.lanbook.com/book/241166); 2. [The RISC-V Instruction Set Manual Volume I: Unprivileged ISA, Document Version 20240411, Editors Andrew Waterman and Krste Asanović, RISC-V Foundation, April 2024](https://github.com/riscv/riscv-isa-manual/releases/download/20240411/unpriv-isa-asciidoc.pdf).